Partiron

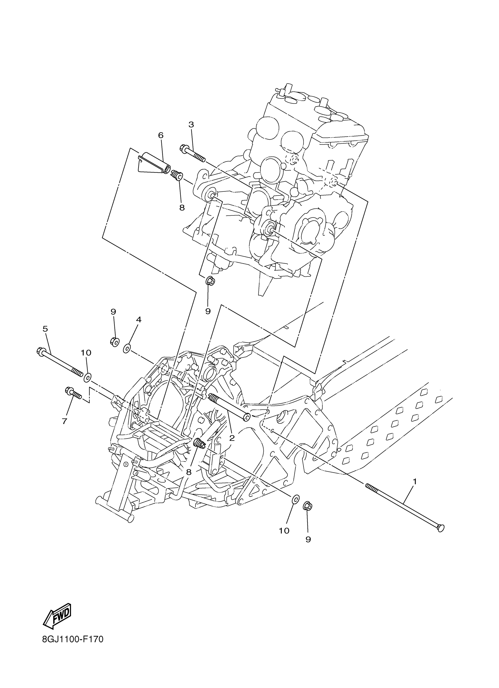
Yamaha PZ50VTDR (VENTURE LITE) 8GJD 2013 ENGINE BRACKET Diagram

#

Description
Price

1

BOLT, ENGINE MOUNTING 1

8GJ-21481-01-00

Unavailable

2

BOLT

8GJ-2149C-00-00

$124.99

3

BOLT, FLANGE(4MY)

95817-10100-00

$5.60

4

WASHER, PLATE (17K)

90201-106F2-00

$10.49

5

BOLT, FLANGE

90105-10260-00

Unavailable

6

BRACKET 1

8GJ-2141A-00-00

$117.99

7

BOLT, FLANGE

95814-08045-00

$4.29

8

BOLT, ENGINE ADJUSTING

8GC-21495-00-00

$31.99

9

NUT(4KG)

90179-10658-00

$9.49

10

WASHER, PLATE

90201-10144-00

Unavailable