Partiron

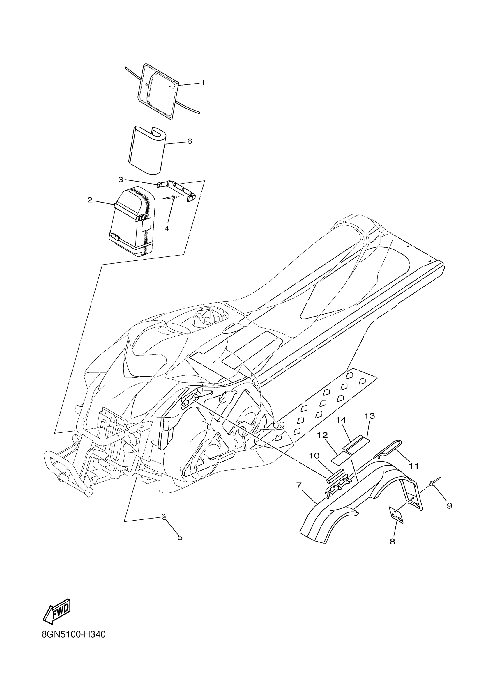
Yamaha PZ50MTGB (PHAZER MTX) 8GPK 2016 GUARD LUGGAGE BOX Diagram

#

Description
Price

1

TOOL KIT

8GK-28100-00-00

Unavailable

2

BOX, GLOVE

8GC-77735-00-00

Unavailable

3

BAND

8GC-2811G-00-00

Unavailable

4

RIVET, BLIND

90267-47200-00

$2.75

5

. WASHER, PLAIN

92990-05200-00

Unavailable

6

POUCH

8GC-28186-00-00

Unavailable

7

GUARD, DRIVE

8GC-77311-00-00

Unavailable

8

PROTECTOR

8GC-77373-00-00

$3.71

9

RIVET, BLIND

90267-47195-00

$3.88

10

DAMPER 1

8CR-77319-00-00

$0.42

11

PIN

8CR-77384-01-00

$16.49

12

LABEL, WARNING 2

8BD-77762-00-00

$7.99

13

LABEL 1

8ES-47578-00-00

Unavailable

14

LABEL, CAUTION

8GC-1417E-01-00

Unavailable