- Partiron
- OEM Parts
- Yamaha
- snowmobile
- 2000
- PZ500D (PHAZER 500) 8DJ2 2000
ALTERNATE (DRIVE)
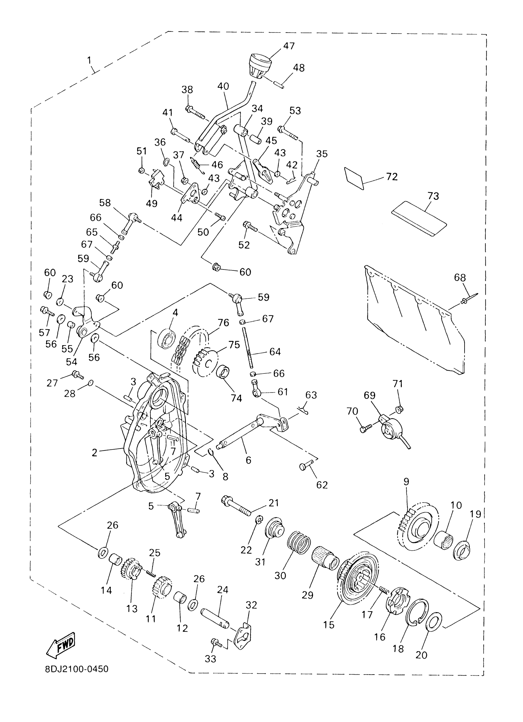
Yamaha PZ500D (PHAZER 500) 8DJ2 2000 ALTERNATE (DRIVE) Diagram
#
1
REVERSE GEAR KIT
8DJ-W4759-00-00
Unavailable
2
. CAP, HOUSING
8CW-47543-02-00
Unavailable
5
FORK, SHIFT 1
8ER-18511-00-00
Unavailable
6
. SHAFT
8CW-18197-00-00
Unavailable
9
. SPROCKET, CHAIN DRIVEN (39T)
8CW-47587-90-00
Unavailable
16
DOG, TRANSMISSION SHIFT
8CW-17492-00-00
Unavailable
17
SPRING, COMPRESSION(8DA)
90501-066J5-00
Unavailable
18
CIRCLIP(8DA)
93440-39175-00
Unavailable
19
COLLAR(8DA)
90387-2008G-00
Unavailable
20
WASHER, PLATE(8DA)
90201-320S3-00
Unavailable
21
BOLT, FLANGE(7LU)
95817-10070-00
Unavailable
22
WASHER(6TA)
92907-10100-00
Unavailable
23
WASHER, PLATE (8K2)
90201-06778-00
Unavailable
24
SHAFT, 1
8CW-1761A-00-00
Unavailable
25
SPRING COMPRESSION278185450000
90501-06022-00
Unavailable
26
WASHER PLATE (3L6)
90201-16245-00
Unavailable
27
BOLT, FLANGE
95817-06016-00
Unavailable
28
WASHER, SEAL (7G5)
90210-06006-00
Unavailable
29
JOURNAL 1
8CW-47571-00-00
Unavailable
30
. SPRING, COMPRESSION
90501-326J6-00
Unavailable
31
COLLAR
8CW-47564-01-00
Unavailable
32
PLATE
8CW-47591-00-00
Unavailable
33
BOLT, FLANGE
95817-06016-00
Unavailable
34
. ARM, SHIFT
8CW-18112-01-00
Unavailable
35
GUIDE, PLATE STOPPER
8CW-18161-01-00
Unavailable
36
CIRCLIP(10Y)
99009-12400-00
Unavailable
37
NUT,SELF-LOCKING
95607-06200-00
Unavailable
38
BOLT, FLANGE
95817-06035-00
Unavailable
39
. COLLAR
90387-06605-00
Unavailable
40
LEVER, SHIFT 4
8CW-18152-01-00
Unavailable
41
PIN, CLEVIS (2F9)
91701-06035-00
Unavailable
42
CLIP (156-83525-00)
90468-10050-00
Unavailable
43
WASHER(6TA)
92907-06200-00
Unavailable
44
PLATE, SHIFT ARM
8CW-1811A-00-00
Unavailable
45
. GUIDE, SHIFT RETURN SPRING
8CW-18153-00-00
Unavailable
46
SPRING, TENSION (36X)
90506-14343-00
Unavailable
47
KNOB, SHIFT LEVER
8CL-18174-00-00
Unavailable
48
PIN,SPRING (648)
91690-40022-00
Unavailable
49
SWITCH
J51-82817-00-00
Unavailable
50
. SCREW, BIND
98907-04016-00
Unavailable
51
NUT, U (7LY)
95617-04100-00
Unavailable
52
BOLT, FLANGE
95817-06025-00
Unavailable
53
BOLT, FLANGE
95817-06040-00
Unavailable
54
LEVER
8CW-18198-00-00
Unavailable
55
COLLAR
90387-06197-00
Unavailable
56
WASHER, PLATE(36Y)
90201-063J2-00
Unavailable
57
BOLT, FLANGE
95817-06025-00
Unavailable
58
JOINT, UNIVERSAL 2
J45-23845-00-00
Unavailable
59
JOINT 2
88T-18157-00-00
Unavailable
60
NUT,SELF-LOCKING
95607-06200-00
Unavailable
61
JOINT 1
8CW-18156-00-00
Unavailable
62
PIN, COTTER (1W2)
91701-06022-00
Unavailable
63
CLIP (156-83525-00)
90468-10050-00
Unavailable
64
JOINT, ROD 1
88T-18116-01-00
Unavailable
65
ROD, SHIFT
26H-18115-00-00
Unavailable
66
NUT, HEXAGON
95314-06600-00
Unavailable
67
NUT (2H9)
90170-06228-00
Unavailable
68
RIVET, BLIND
90267-48018-00
Unavailable
69
. BUZZER
8CR-83383-00-00
Unavailable
69
BUZZER
8CW-83383-00-00
Unavailable
70
BOLT(3JK)
97027-05020-00
Unavailable
71
NUT, FLANGE(3GM)
95707-05500-00
Unavailable
72
LABEL, WARNING 3
8DY-77763-00-00
Unavailable
73
LABEL, WARNING 1
8DB-77761-00-00
Unavailable
74
COLLAR
90387-2508D-00
Unavailable
75
SPROCKET, CHAIN DRIVE (21T)
89J-17682-10-00
Unavailable
76
CHAIN (68L)
94860-02068-00
Unavailable
