- Partiron
- OEM Parts
- Yamaha
- snowmobile
- 1994
- PZ480U (PHAZER II) 8BF1 1994
AIR CLEANER
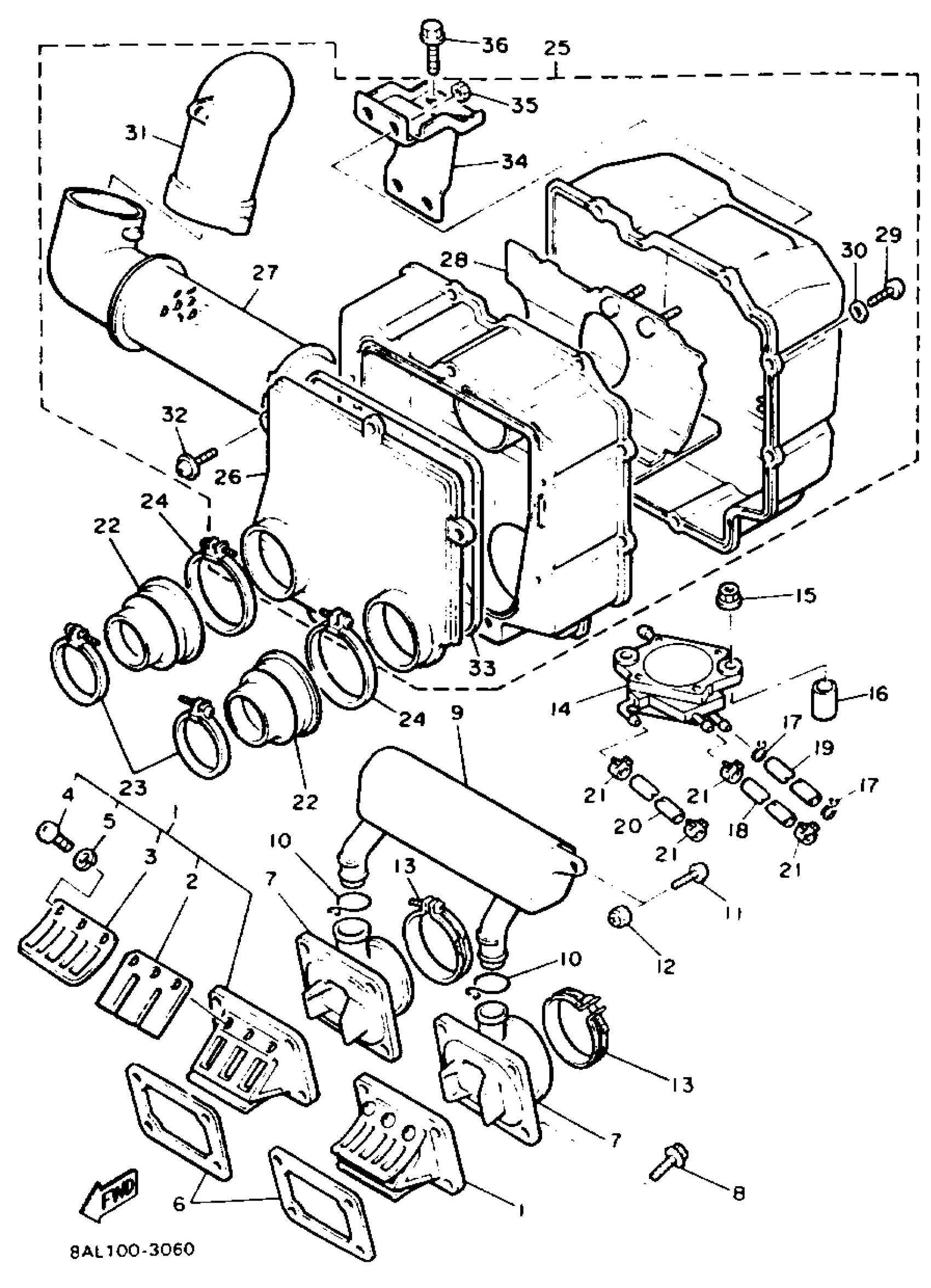
Yamaha PZ480U (PHAZER II) 8BF1 1994 AIR CLEANER Diagram
#
Description
Price
1
REED VALVE ASSEMBLY
3R5-13610-00-00
Unavailable
3
. STOPPER, REED VALVE
2X5-13616-00-00
Unavailable
9
CHAMBER, AIR
8V0-13581-00-00
Unavailable
14
FUEL PUMP ASSEMBLY
8BF-24410-00-00
Unavailable
16
COLLAR (8U7)
90387-105G5-00
Unavailable
17
CLIP
90467-090A2-00
Unavailable
18
TUBE, FLEXIBLE VINYL(8AK)
91A20-05080-00
Unavailable
19
TUBE, FLEXIBLE VINYL(8AU)
91A20-05039-00
Unavailable
20
HOSE (L450)
90445-10144-00
Unavailable
21
CLIP (8A1)
90467-09026-00
Unavailable
22
JOINT, AIR CLEANER 1
8V0-14453-00-00
Unavailable
23
CLAMP, HOSE (29L)
90460-68230-00
Unavailable
24
HOSE CLAMP ASSY
90450-81001-00
Unavailable
25
SILENCER ASSEMBLY, INTAKE
8V0-14440-01-00
Unavailable
26
CAP,CACE1
8V0-14412-01-00
Unavailable
27
. PIPE
8V0-14465-00-00
Unavailable
28
. PLATE
8V0-14484-00-00
Unavailable
29
SCREW, PAN HEAD
90157-05M19-00
Unavailable
30
WASHER(1RW)
92907-05600-00
Unavailable
31
. JOINT
8V0-14454-00-00
Unavailable
32
SCREW, PAN HEAD
98507-05014-00
Unavailable
33
SEAL
51Y-14462-00-00
Unavailable
34
. STAY 2
8V0-14494-00-00
Unavailable
35
NUT, HEXAGON
95380-06600-00
Unavailable
36
SCREW, PAN
98517-06012-00
Unavailable
