- Partiron
- OEM Parts
- Yamaha
- snowmobile
- 1999
- PZ480STC (PHAZER MOUNTAIN LITE) 8BH6 1999
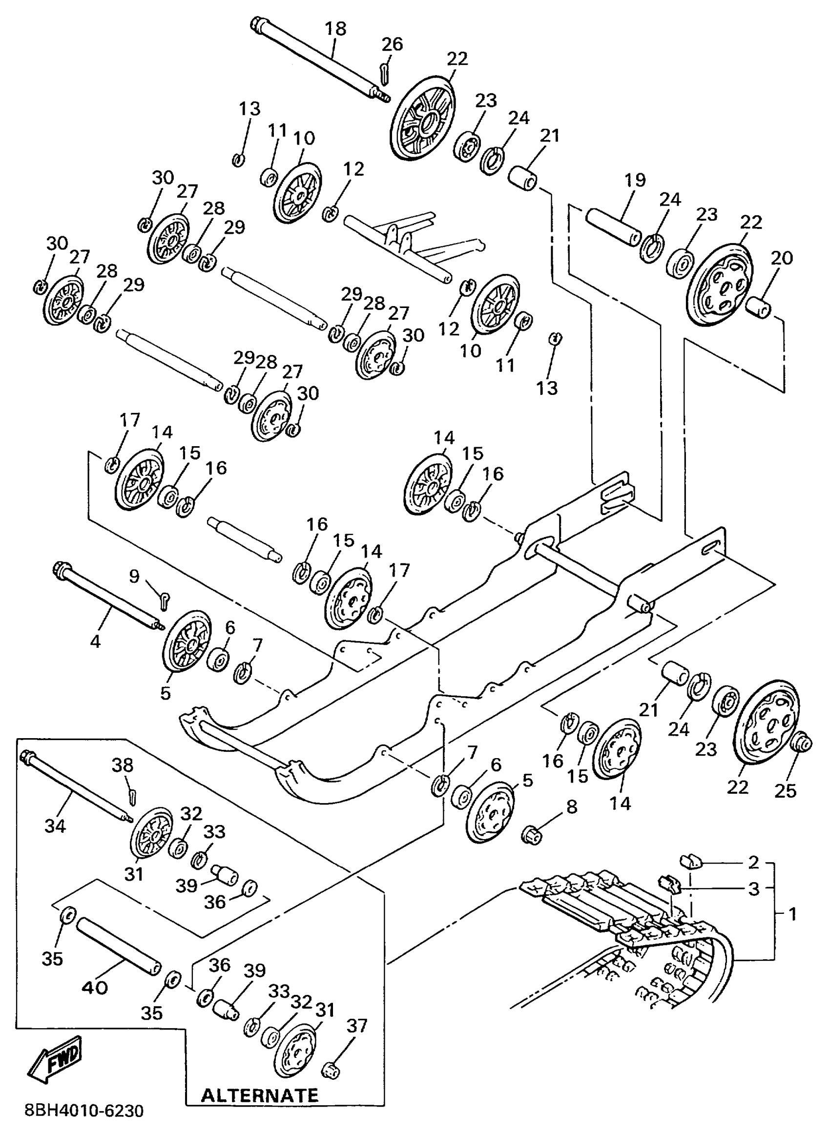
TRACK SUSPENSION 1
Yamaha PZ480STC (PHAZER MOUNTAIN LITE) 8BH6 1999 TRACK SUSPENSION 1 Diagram
#
Description
Price
1
TRACK ASY
8CC-47110-11-00
Unavailable
3
METAL, SLIDE
89A-47115-01-00
Unavailable
4
SHAFT 5
82M-47487-00-00
Unavailable
18
REAR AXLE COMP.
8L8-47520-02-00
Unavailable
19
COLLAR
90387-202X4-00
Unavailable
20
COLLAR
90387-202X5-00
Unavailable
21
COLLAR(88Y)
90387-204X2-00
Unavailable
22
GUIDE WHEEL COMP.
8K2-47530-00-00
Unavailable
23
BEARING(8AE)
93306-20469-00
Unavailable
24
CIRCLIP(48Y)
99009-47500-00
Unavailable
27
SUSPENSION WHEEL COMP.
8H8-47320-00-00
Unavailable
34
SHAFT 5
82M-47487-00-00
Unavailable
35
WASHER, PLATE
90201-164P0-00
Unavailable
36
WASHER, PLATE(33Y)
90201-164H4-00
Unavailable
39
COLLAR
90387-166M8-00
Unavailable
40
COLLAR
90387-160M7-00
Unavailable
