Partiron

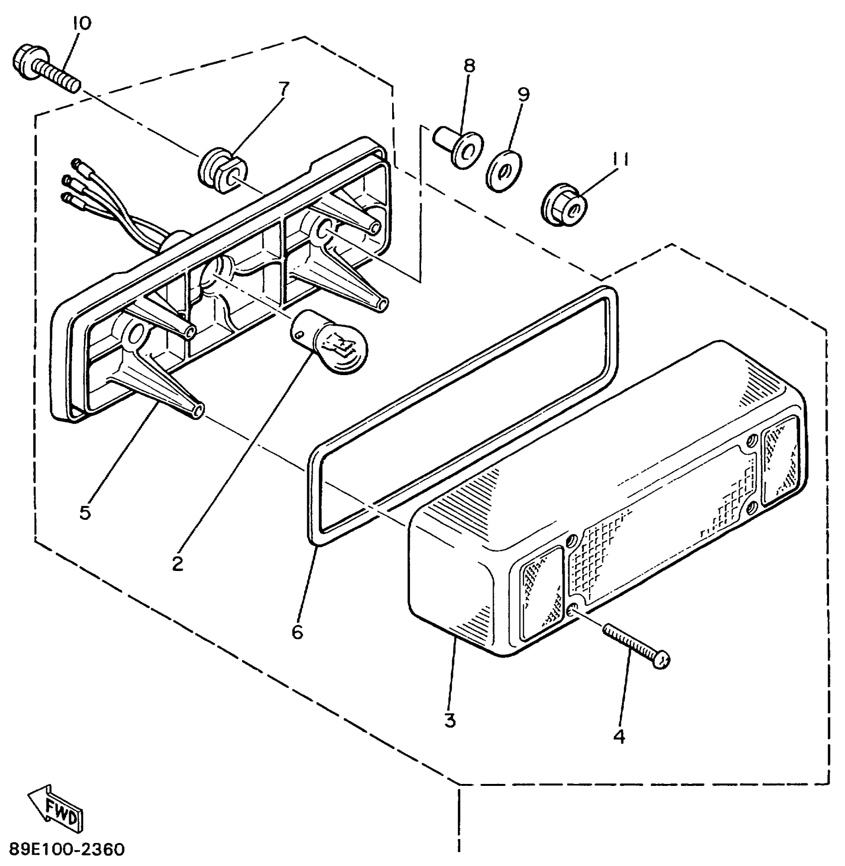
Yamaha PZ480STC (PHAZER MOUNTAIN LITE) 8BH6 1999 TAILLIGHT Diagram

#

Description
Price

1

TAILLIGHT UNIT ASSY

82M-84710-01-00

Unavailable

2

BULB(12V32/3CP)1157

137-84714-61-XX

Unavailable

3

LENS, TAILLIGHT

8K4-84721-01-00

$43.99

4

YBS83-430 SCREW,PANH. TAPPING

97780-40130-00

$8.49

5

BASE, TAILLIGHT

82M-84711-01-00

Unavailable

6

SEAL

3TJ-14457-00-00

Unavailable

7

GROMMET

8K4-84718-00-00

$2.02

8

COLLAR

90387-06166-00

$12.49

9

WASHER, PLATE

90201-06747-00

$8.49

10

BOLT, WITH WASHER

90119-06208-00

Unavailable

11

NUT, FLANGE(4MV)

95707-06500-00

$1.23