- Partiron
- OEM Parts
- Yamaha
- snowmobile
- 1997
- PZ480STA (PHAZER MOUNTAIN LITE) 8BH4 1997
ELECTRICAL ALTERNATE 2
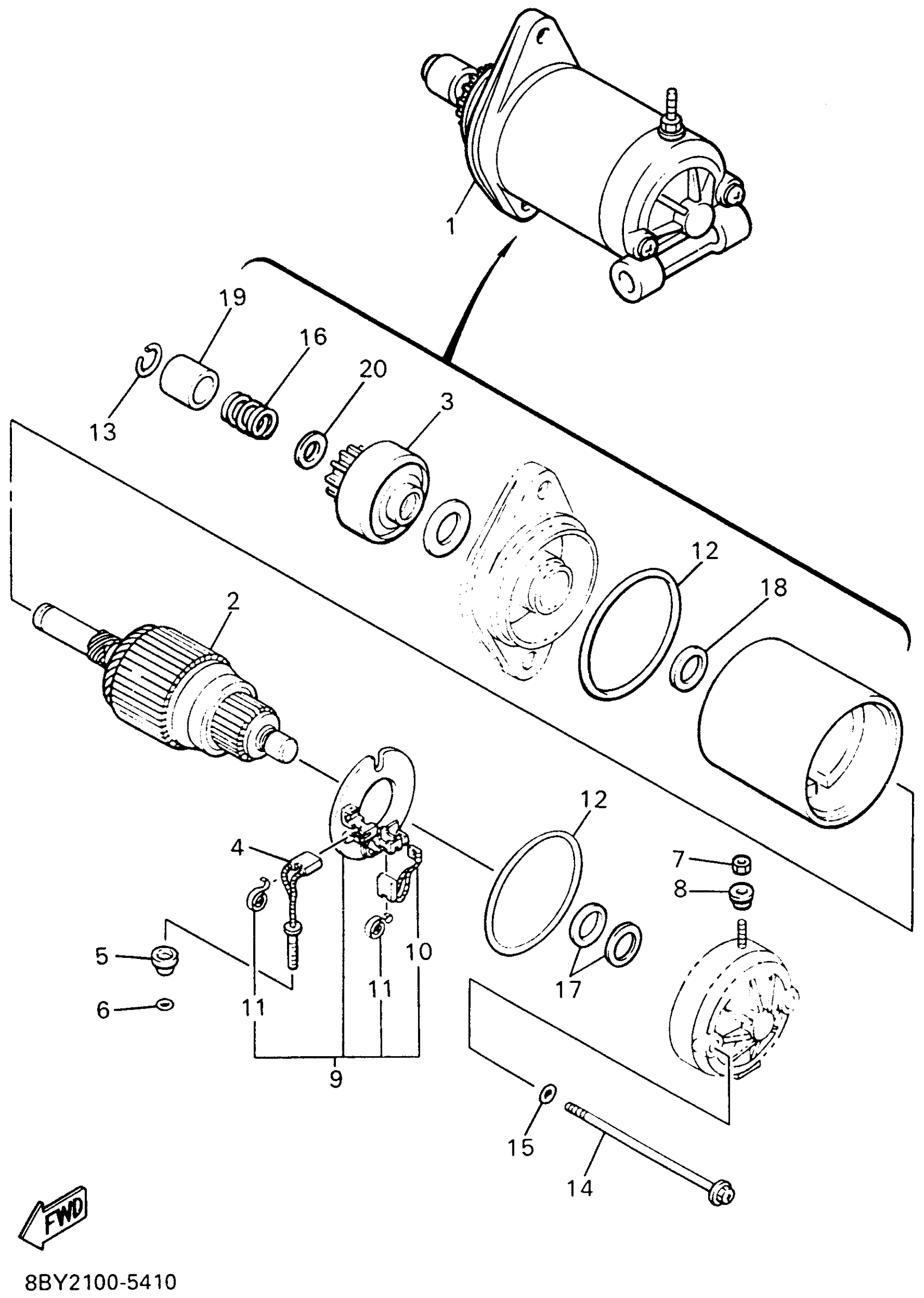
Yamaha PZ480STA (PHAZER MOUNTAIN LITE) 8BH4 1997 ELECTRICAL ALTERNATE 2 Diagram
#
Description
Price
1
STARTING MOTOR ASSY
8BB-81800-02-00
Unavailable
2
ARMATURE ASSY
8Y3-81850-50-00
Unavailable
3
CLUTCH, OVER RUN
84N-81832-51-00
Unavailable
4
BRUSH 1
73A-81811-01-00
Unavailable
5
. GROMMET
73A-81829-50-00
Unavailable
6
. O-RING
73A-81847-00-00
Unavailable
7
NUT
4H7-81872-00-00
Unavailable
8
. GROMMET
73A-81829-00-00
Unavailable
11
SPRING, BRUSH
8L6-81813-50-00
Unavailable
12
O-RING
4H7-81844-00-00
Unavailable
16
SPRING, LEVER
8BB-81836-00-00
Unavailable
17
WASHER 1
4H7-81843-50-00
Unavailable
18
WASHER
8L6-81835-50-00
Unavailable
19
RING, STOP
8L6-81833-50-00
Unavailable
20
WASHER, PLATE
8BB-8185A-00-00
Unavailable
