- Partiron
- OEM Parts
- Yamaha
- snowmobile
- 1990
- PZ480P (PHAZER II) 87F1 1990
SECONDARY SHEAVE
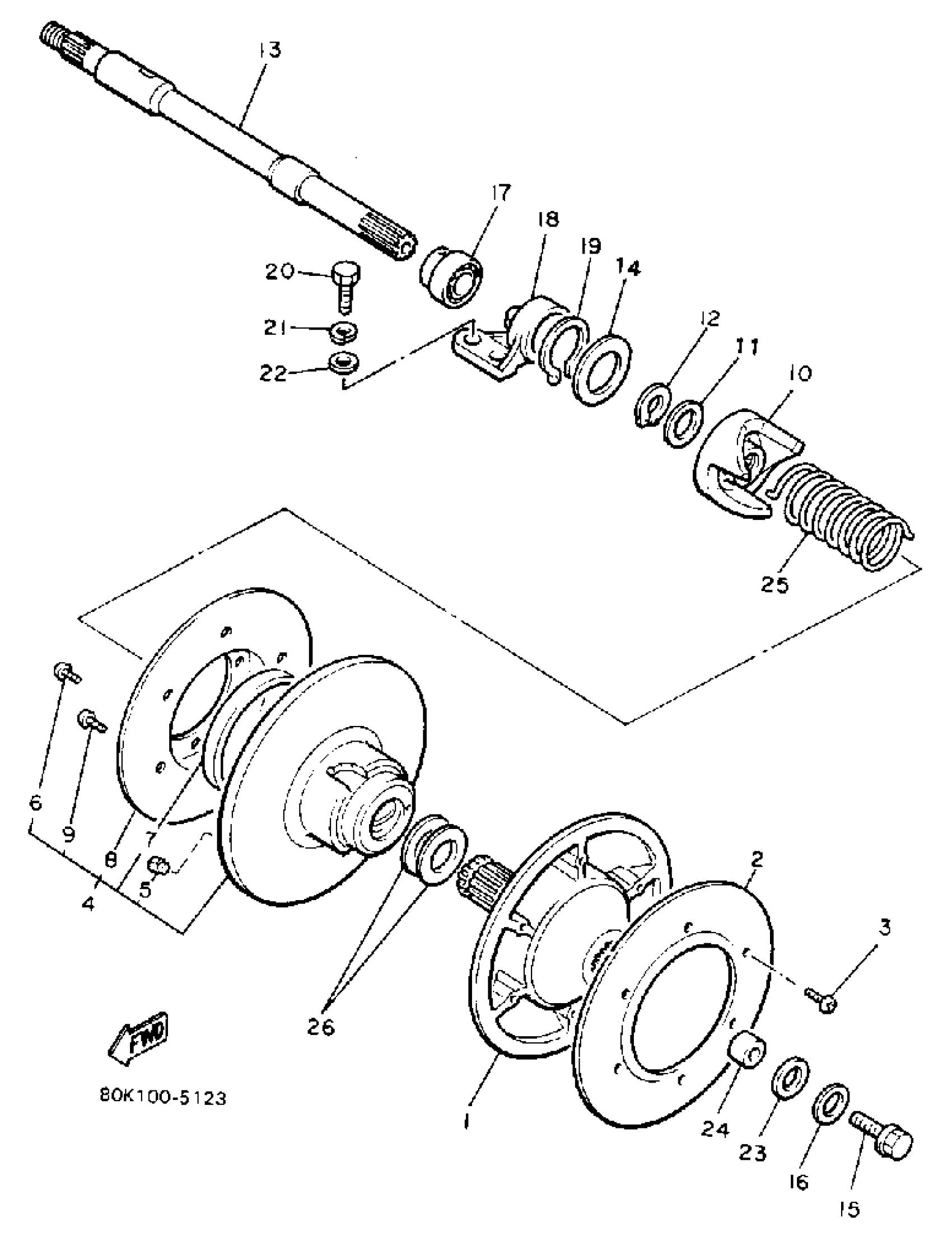
Yamaha PZ480P (PHAZER II) 87F1 1990 SECONDARY SHEAVE Diagram
#
Description
Price
1
SECONDARY FIXED SHEAVE COMP.
89N-17660-00-00
Unavailable
2
PLATE 1
81H-17665-01-00
Unavailable
4
SECONDARY SLIDING SHEAVE
81H-17670-00-00
Unavailable
7
BUSH, BIMETAL FORMED (90384-90081-00)
90380-90117-00
Unavailable
8
PLATE 2
81H-17675-01-00
Unavailable
10
SEAT, SECONDARY SPRING
8V0-17684-00-00
Unavailable
11
WASHER, PLATE
90201-34684-00
Unavailable
13
SHAFT, SECONDARY
87M-17681-00-00
Unavailable
14
WASHER, PLATE (888)
90201-25527-00
Unavailable
15
BOLT, WASHER BASED
90105-14175-00
Unavailable
16
WASHER, PLATE
90201-140A6-00
Unavailable
17
BEARING
888-17678-00-00
Unavailable
18
HOUSING, BEARING
85L-47631-00-00
Unavailable
19
CIRCLIP(26H)
99009-52500-00
Unavailable
20
BOLT,HEXAGON
97027-08022-00
Unavailable
21
YBS67-8 WASHER, SPRING
92990-08100-00
Unavailable
22
.. WASHER, PLATE
92990-08600-00
Unavailable
23
WASHER, PLATE (T=0.5)
90201-222F0-00
Unavailable
23
WASHER, PLATE (8L8)
90201-225A4-00
Unavailable
24
COLLAR
90387-147A8-00
Unavailable
25
SPRING, TORSION
90508-50793-00
Unavailable
26
WASHER, PLATE (8U9)
90201-345G2-00
Unavailable
