- Partiron
- OEM Parts
- Yamaha
- snowmobile
- 1989
- PZ480N (PHAZER) 86F1 1989
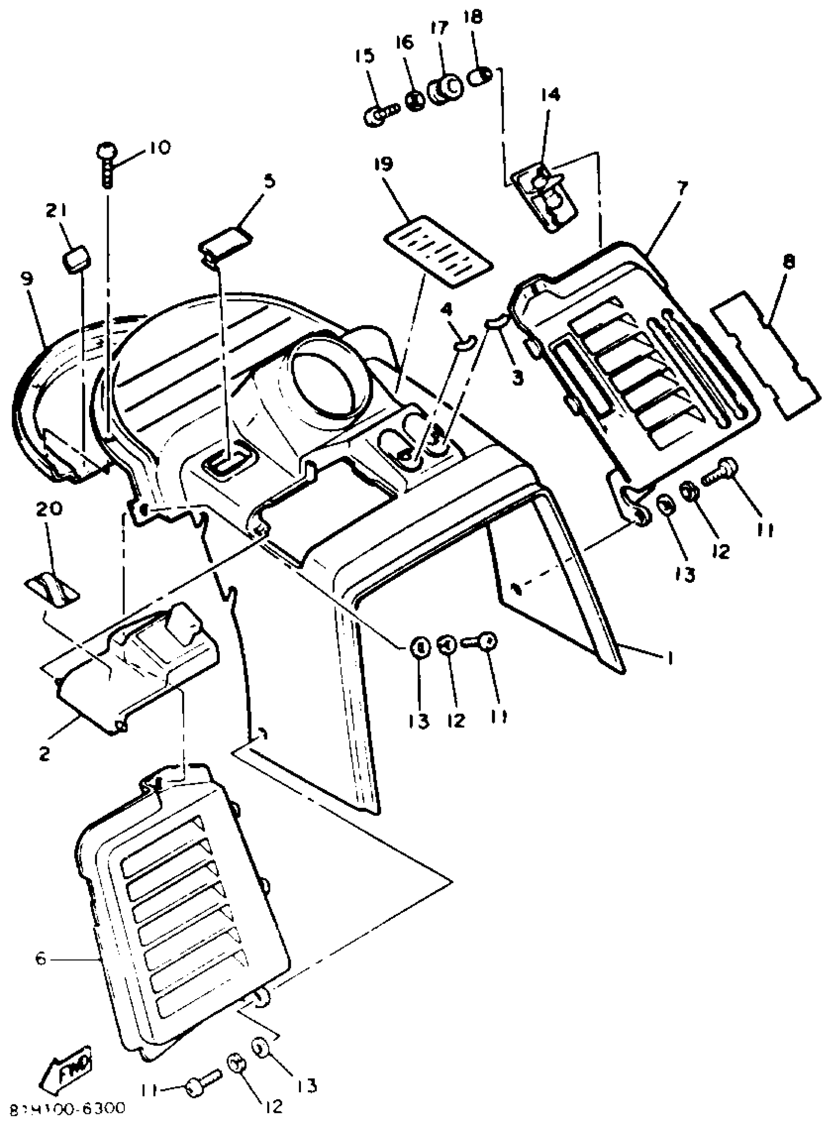
INSTRUMENT PANEL
Yamaha PZ480N (PHAZER) 86F1 1989 INSTRUMENT PANEL Diagram
#
Description
Price
1
PANEL, INSTRUMENT
8X9-77711-01-00
Unavailable
2
PANEL, INSTRUMENT
8X9-77712-01-00
Unavailable
3
INDICATOR 1
8U9-77741-00-00
Unavailable
3
INDICAT0R 1
8V0-77741-20-00
Unavailable
4
INDICATOR 2
8U9-77742-00-00
Unavailable
5
GROMMET, INSTRUMENT PANEL
8X9-77740-00-00
Unavailable
6
LOUVER 1
8X9-77131-00-00
Unavailable
7
LOUVER 2
8X9-77132-00-00
Unavailable
8
REFLECTOR 1
8V0-7716E-00-00
Unavailable
9
SHIELD 1
8V0-77731-00-00
Unavailable
11
SCREW, PAN HEAD
90157-05M19-00
Unavailable
14
BRACKET 1
80L-77721-00-00
Unavailable
15
SCREW, PAN TAP.2 SLIT
97707-50620-00
Unavailable
16
WASHER PLATE 829771780000
90201-05033-00
Unavailable
17
GROMMET(80K)
90480-13428-00
Unavailable
18
COLLAR (26H)
90387-053H3-00
Unavailable
19
LABEL, WARNING 3
80L-77763-00-00
Unavailable
20
ORMNT, INSTR PNL 1INSTRUMENT PANEL 1
81H-77715-00-00
Unavailable
21
SHIELD 1
81H-77731-00-00
Unavailable
