- Partiron
- OEM Parts
- Yamaha
- snowmobile
- 1986
- PZ480K (PHAZER) 1986
CARBURETOR
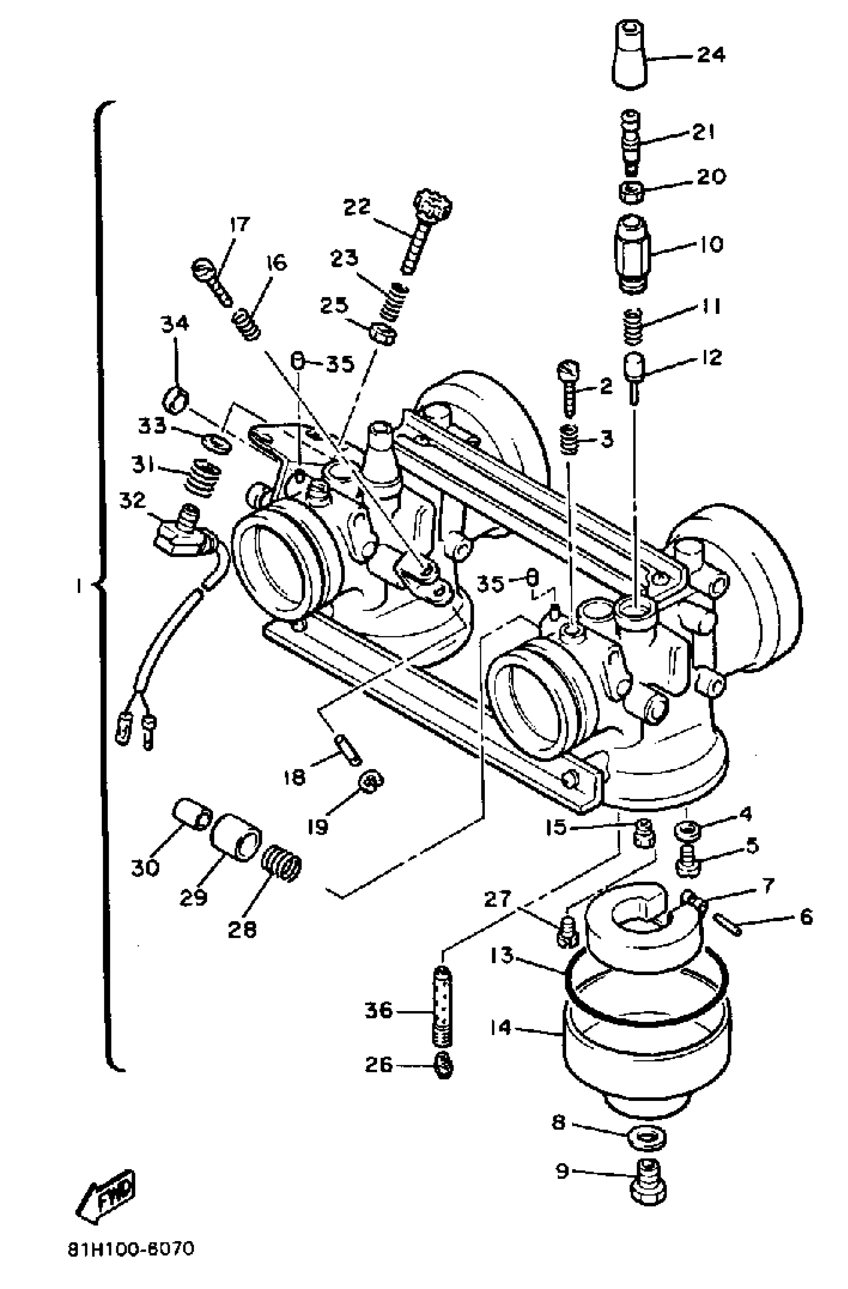
Yamaha PZ480K (PHAZER) 1986 CARBURETOR Diagram
#
1
CARBURETOR
80L-14100-04-00
Unavailable
14
BODY, FLOAT CHAMBER
8M6-14181-00-00
Unavailable
16
. SPRING, THROTTLE STOP
3F7-14133-00-00
Unavailable
17
. STOP SCREW SET
12R-1490K-00-00
Unavailable
18
. ROD, PUSH
584-14992-00-00
Unavailable
19
. CLIP
256-14937-00-00
Unavailable
20
NUT, WIRE ADJUSTING
802-14161-00-00
Unavailable
21
CABLE ADJUST SCREW SET
12G-14106-00-00
Unavailable
22
SCREW,THROTTLE
80L-14122-00-00
Unavailable
23
SPRING
8X0-14500-00-00
Unavailable
24
CAP
8A7-14169-00-00
Unavailable
25
. NUT
8V0-14358-00-00
Unavailable
26
JET, MAIN (#135)
3G2-14231-27-00
Unavailable
26
JET, MAIN (#140)
3G2-14231-28-00
Unavailable
26
JET, MAIN (#145)
3G2-14231-29-00
Unavailable
26
JET, MAIN (#150)
3G2-14231-30-A0
Unavailable
26
. JET, MAIN (1525) (3G2-14231-81)
3G2-14231-81-A0
Unavailable
26
JET,MAIN #127.5
3G2-1423A-76-00
Unavailable
26
JET,MAIN #132.5
3G2-1423A-77-00
Unavailable
26
JET,MAIN #137.5
3G2-1423A-78-00
Unavailable
26
JET,MAIN #147.5
3G2-1423A-80-A0
Unavailable
26
JET MAIN (#143.8)
3G2-1423E-57-00
Unavailable
27
CAP
8V0-14118-00-00
Unavailable
28
. SPRING, THROTTLE 2
80L-14932-00-00
Unavailable
29
COLLAR
80L-14534-00-00
Unavailable
30
COLLAR
80L-14535-00-00
Unavailable
31
SPRING, THROTTLE STOP
8X0-14133-00-00
Unavailable
32
SWITCH, CARBURETOR
87S-8259A-01-00
Unavailable
33
WASHER, PLUG SCREW
22F-14117-00-00
Unavailable
34
COLLAR
80L-14264-00-00
Unavailable
35
CAP
895-14169-00-00
Unavailable
36
NOZZLE, MAIN
8Y2-14941-3A-00
Unavailable
