- Partiron
- OEM Parts
- Yamaha
- snowmobile
- 1985
- PZ480J (PHAZER) 1985
PUMP DRIVE - GEAR
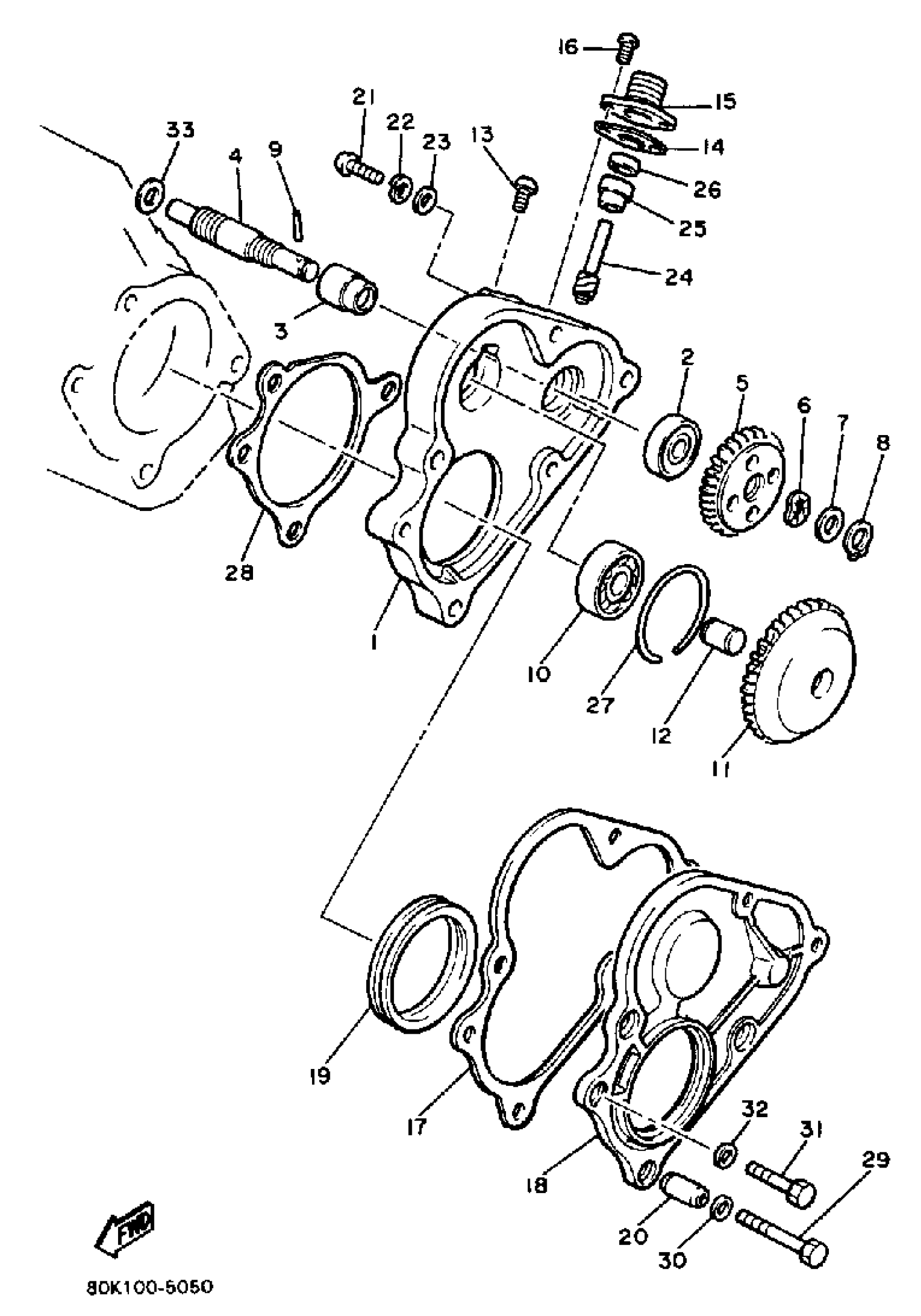
Yamaha PZ480J (PHAZER) 1985 PUMP DRIVE - GEAR Diagram
#
1
. COVER, OIL PUMP
8V0-15416-01-00
Unavailable
4
SHAFT, WORM
879-13175-00-00
Unavailable
5
GEAR, DRIVE 2
821-13188-00-00
Unavailable
6
WASHER, WAVE (137)
90206-11016-00
Unavailable
7
PLATE, CAM THRUST
137-13148-00-00
Unavailable
10
BEARING (B6000RS)
93306-00003-00
Unavailable
11
GEAR, IDLE
8V0-13179-00-00
Unavailable
12
SHAFT, IDLE GEAR
8V0-13342-00-00
Unavailable
13
SCREW, PAN HEAD(62J)
97885-06012-00
Unavailable
15
CAP, HOUSING
821-17819-00-00
Unavailable
16
SCREW, PAN HEAD(62X)
97885-05010-00
Unavailable
17
GASKET 2
8V0-15466-03-00
Unavailable
18
COVER, OIL PUMP 2
8V0-15426-01-00
Unavailable
19
OIL SEAL (8V0)
93104-52079-00
Unavailable
20
PIN, DOWEL
91810-18022-00
Unavailable
21
SCREW, PAN HEAD
98580-05020-00
Unavailable
22
YBS67-5 WASHER, SPRING
92990-05100-00
Unavailable
23
WASHER, PLAIN (646)
92990-05600-00
Unavailable
24
GEAR, DRIVEN (10T)
813-17841-00-00
Unavailable
25
BUSH, DRIVEN GEAR OUTER
821-17843-00-00
Unavailable
26
OIL SEAL (6X12X4-821)
93104-06033-00
Unavailable
27
CIRCLIP, INNER
93450-28098-00
Unavailable
28
GASKET, OIL PUMP COVER 1
8V0-15456-03-00
Unavailable
29
BOLT(3RV)
97014-06035-00
Unavailable
30
WASHER, PLATE (4H7)
90201-061A5-00
Unavailable
31
BOLT, HEXAGON
97017-06025-00
Unavailable
32
UNAVAILABLE IN PRICE BOOK (92901-06600)
92901-061A5-00
Unavailable
33
WASHER, PLATE (1E7)
90201-08624-00
Unavailable
