Partiron

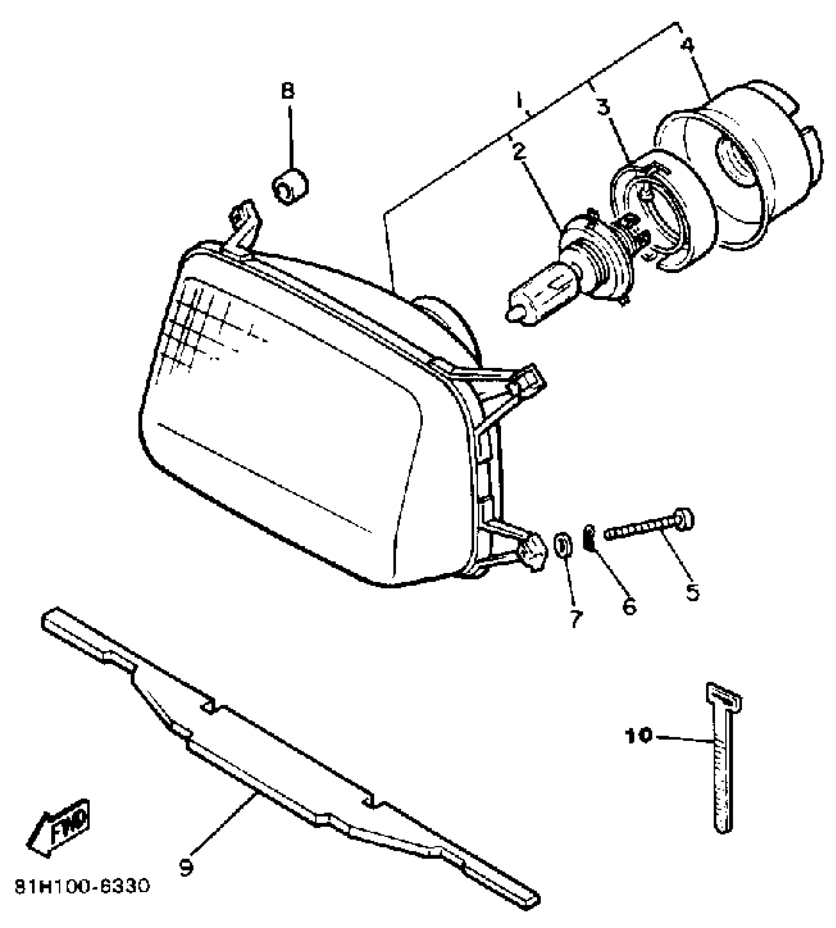
Yamaha PZ480J (PHAZER) 1985 HEADLIGHT Diagram

#

Description
Price

1

HEADLIGHT UNIT ASSY

86M-84310-00-00

Unavailable

2

BULB, HEADLIGHT

8V0-84314-10-00

$69.99

3

HOLDER, SOCKET

8A7-84312-00-00

$29.99

4

COVER, SOCKET

8A7-84397-01-00

Unavailable

5

. SCREW, RIM ADJUSTING

8V0-84331-00-00

Unavailable

6

CLIP 136253750000

90468-12006-00

$8.49

7

WASHER, PLATE(3TJ)

90201-090P4-00

$1.75

8

. DAMPER, HEADLIGHT 1

8V0-84366-00-00

Unavailable

9

DAMPER, HEADLIGHT 1

8W6-84366-00-00

Unavailable

10

BAND, SWITCH CORD

437-83936-01-00

$7.99