- Partiron
- OEM Parts
- Yamaha
- snowmobile
- 1985
- PZ480J (PHAZER) 1985
AIR CLEANER
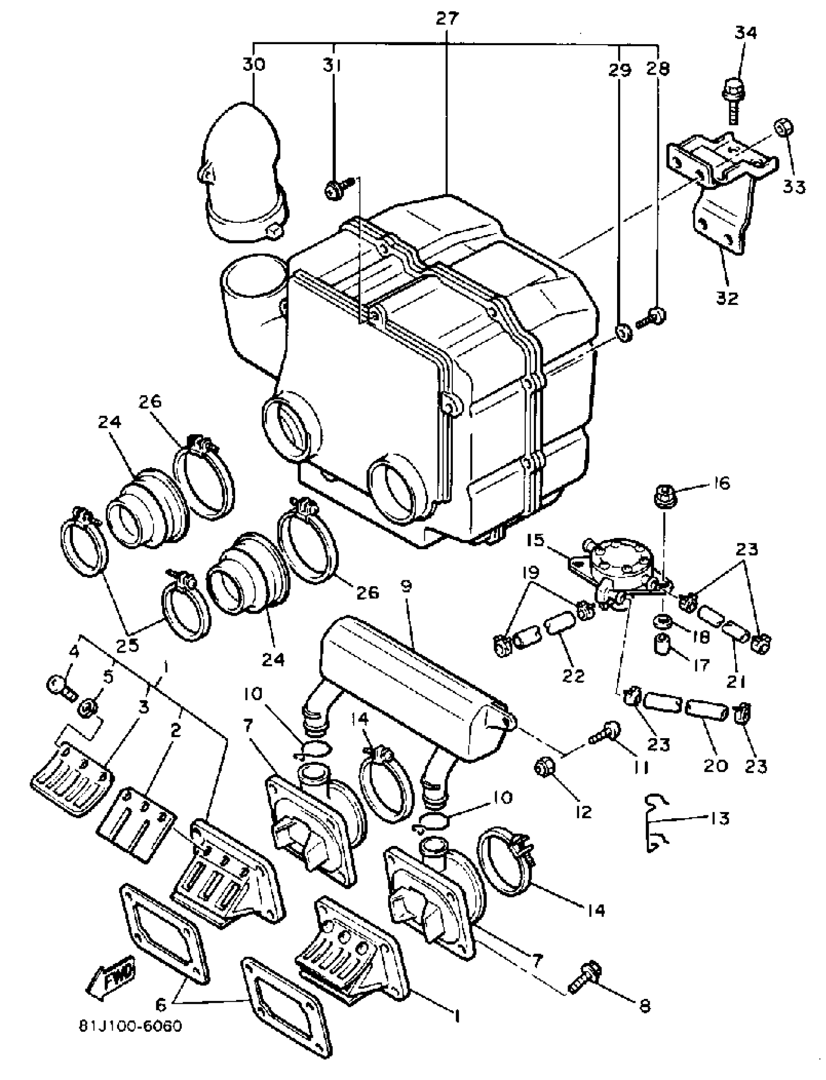
Yamaha PZ480J (PHAZER) 1985 AIR CLEANER Diagram
#
Description
Price
1
REED VALVE ASSEMBLY
3R5-13610-00-00
Unavailable
3
. STOPPER, REED VALVE
2X5-13616-00-00
Unavailable
9
CHAMBER, AIR
8V0-13581-00-00
Unavailable
13
CLAMP
90465-10033-00
Unavailable
15
FUEL PUMP ASSEMBLY (8V0-24410-01)
8V0-24410-02-00
Unavailable
16
NUT, FLANGE(7NB)
95780-06500-00
Unavailable
17
COLLAR
90387-06387-00
Unavailable
18
WASHER, PLATE (8K2)
90201-06778-00
Unavailable
19
CLIP
90467-090A2-00
Unavailable
20
TUBE, FLEXIBLE VINYL(8AK)
91A20-05080-00
Unavailable
21
TUBE, FLEXIBLE VINYL(8AU)
91A20-05039-00
Unavailable
22
HOSE (L450)
90445-10144-00
Unavailable
23
CLIP (8A1)
90467-09026-00
Unavailable
24
JOINT, AIR CLEANER 1
8V0-14453-00-00
Unavailable
25
CLAMP, HOSE (29L)
90460-68230-00
Unavailable
26
HOSE CLAMP ASSY
90450-81001-00
Unavailable
27
SILENCER ASSEMBLY, INTAKE
8V0-14440-01-00
Unavailable
28
SCREW, PAN HEAD
90157-05M19-00
Unavailable
29
WASHER(1RW)
92907-05600-00
Unavailable
30
. JOINT
8V0-14454-00-00
Unavailable
31
SCREW, PAN HEAD
98507-05014-00
Unavailable
32
. STAY 2
8V0-14494-00-00
Unavailable
33
NUT, HEXAGON
95380-06600-00
Unavailable
34
BOLT, FLANGE
95817-06012-00
Unavailable
