- Partiron
- OEM Parts
- Yamaha
- snowmobile
- 1994
- PZ480EU (PHAZER II LE (ELEC START)) 8BG1 1994
TRACK SUSPENSION 1
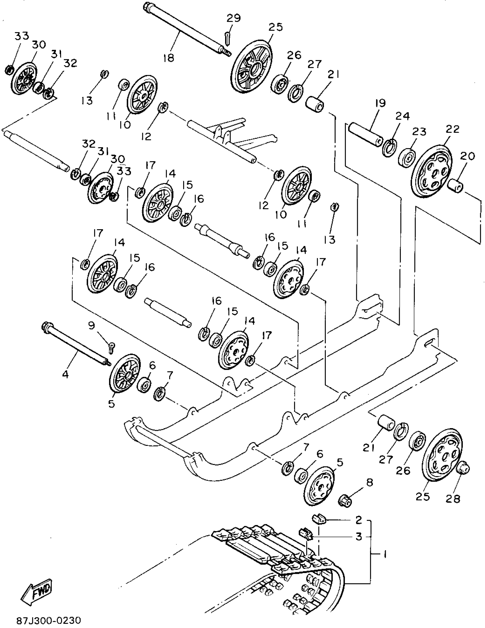
Yamaha PZ480EU (PHAZER II LE (ELEC START)) 8BG1 1994 TRACK SUSPENSION 1 Diagram
#
Description
Price
1
TRACK ASSEMBLY
87F-47110-01-00
Unavailable
3
METAL, SLIDE
8A5-47115-00-00
Unavailable
4
SHAFT 5
82M-47487-00-00
Unavailable
18
REAR AXLE COMP.
8L8-47520-02-00
Unavailable
19
COLLAR
90387-20023-00
Unavailable
20
COLLAR
90387-204R3-00
Unavailable
21
COLLAR
90387-20022-00
Unavailable
22
GUIDE WHEEL COMP.
8K2-47530-00-00
Unavailable
23
BEARING(8AE)
93306-20469-00
Unavailable
24
CIRCLIP(48Y)
99009-47500-00
Unavailable
25
GUIDE WHEEL COMP.
8K2-47530-00-00
Unavailable
26
BEARING(8AE)
93306-20469-00
Unavailable
27
CIRCLIP(48Y)
99009-47500-00
Unavailable
30
SUSPENSION WHEEL COMP.
8H8-47320-00-00
Unavailable
