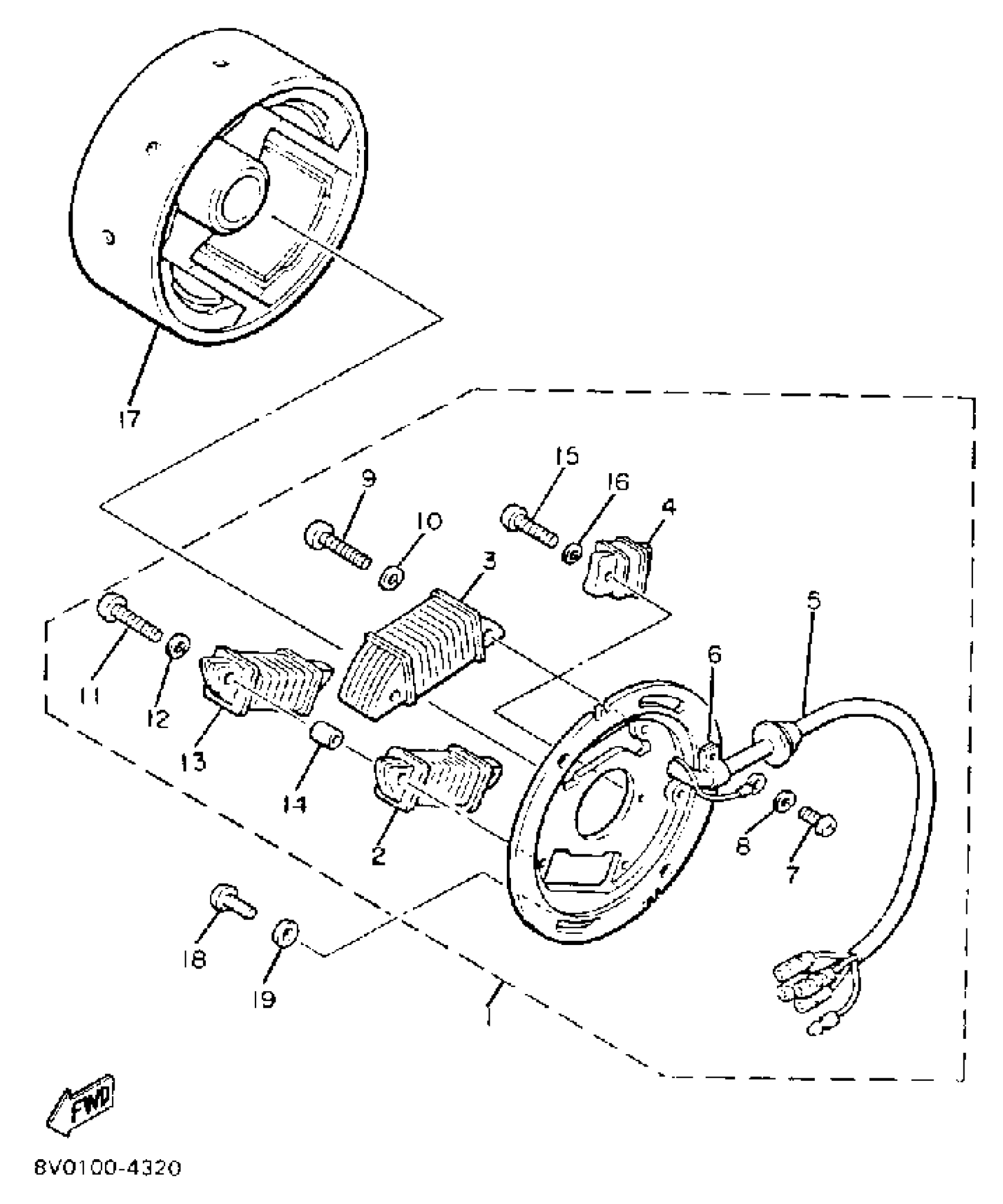
Yamaha PZ480EN (PHAZER DELUXE (ELEC START)) 86H1 1989 GENERATOR Diagram
#
Description
Price
1
STATOR ASSEMBLY
88F-85510-00-00
Unavailable
2
. COIL, SOURCE (8T0-85511-20)
86M-85511-00-00
Unavailable
3
. COIL, LIGHTING 1
8H8-85513-20-00
Unavailable
4
. COIL, PULSER (8N5-85580-20)
82M-85580-20-00
Unavailable
5
. LEAD WIRE ASSEMBLY (8V0-85515-20)
8W0-85515-20-00
Unavailable
6
CLAMP, READ
445-81328-20-00
Unavailable
13
. COIL, LIGHTING 2 (8V0-85514-20)
82M-85514-20-00
Unavailable
14
. SPACER
8T0-85519-20-00
Unavailable
17
ROTOR ASSY
8V0-85550-21-00
Unavailable
18
. SPACER
8T0-85519-20-00
Unavailable
19
WASHER, PLATE 6261117600
90201-06043-00
Unavailable
