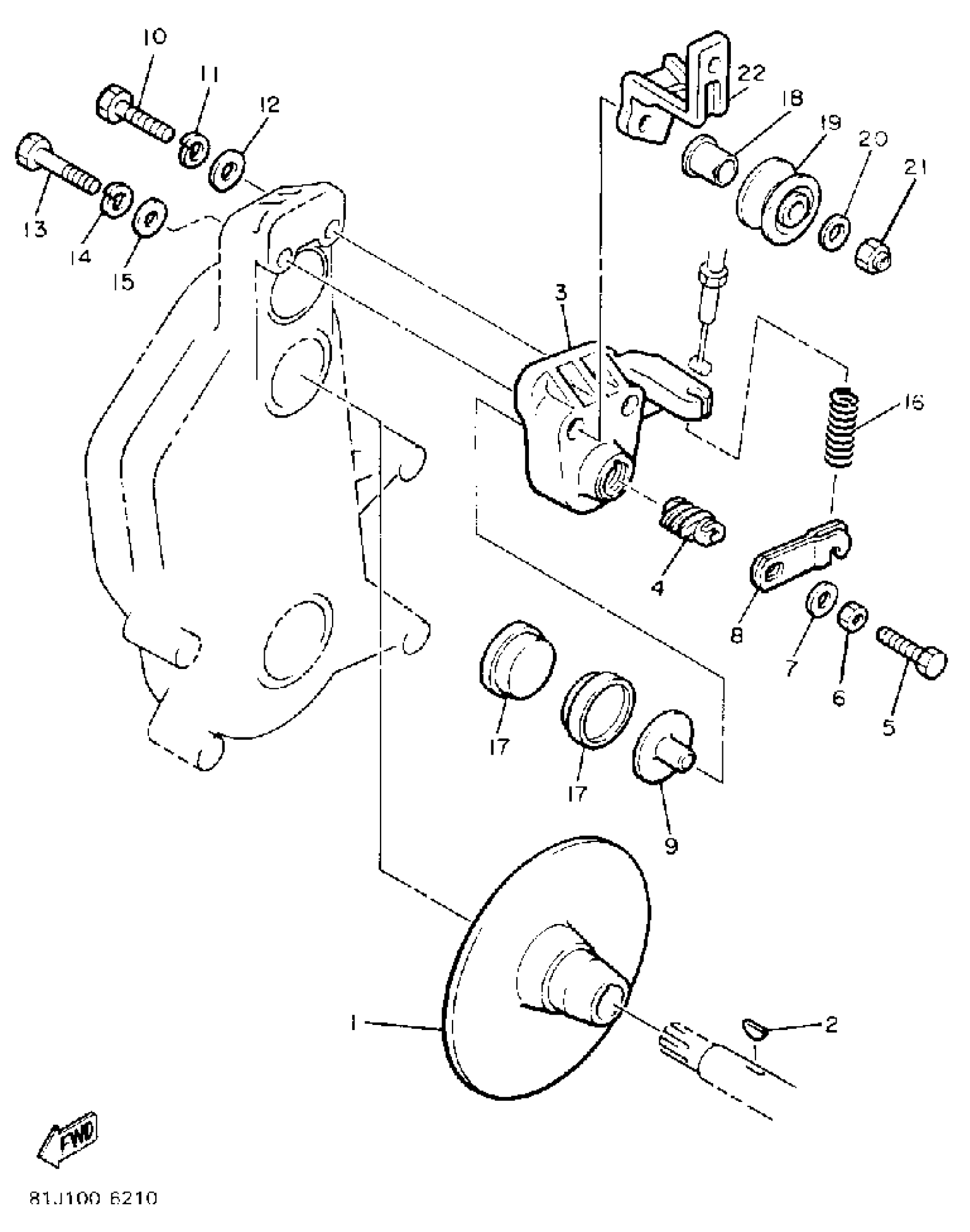
Yamaha PZ480EN (PHAZER DELUXE (ELEC START)) 86H1 1989 BRAKE Diagram
#
Description
Price
1
DISC, BRAKE (RIGHT)
8V0-25831-00-00
Unavailable
3
BODY, CALIPER 1
8K4-25731-00-00
Unavailable
4
CAM
878-25728-00-00
Unavailable
5
BOLT (8K4)
90101-08499-00
Unavailable
6
. NUT
95380-08700-00
Unavailable
7
.. WASHER, PLATE
92990-08600-00
Unavailable
8
LEVER, BRAKE
878-25726-00-00
Unavailable
9
PLATE, BACK UP
878-25733-00-00
Unavailable
10
BOLT
97017-10055-00
Unavailable
12
WASHER, PLATE
92990-10600-00
Unavailable
13
BOLT
90109-107A4-00
Unavailable
15
WASHER, PLATE
92990-10600-00
Unavailable
16
SPRING, COMPRESSION
90501-23337-00
Unavailable
17
PAD, CALIPER 2
89J-25811-00-00
Unavailable
18
COLLAR (2J2)
90387-08664-00
Unavailable
19
GUIDE, CABLE
8V0-26399-00-00
Unavailable
20
WASHER, PLAIN
92990-08200-00
Unavailable
21
NUT, NYLON
95717-08300-00
Unavailable
22
BRKT, OIL TANK 2
8V0-2193F-00-00
Unavailable
