- Partiron
- OEM Parts
- Yamaha
- snowmobile
- 1987
- PZ480EL (PHAZER DELUXE (ELEC START)) 1987
TRACK SUSPENSION 2
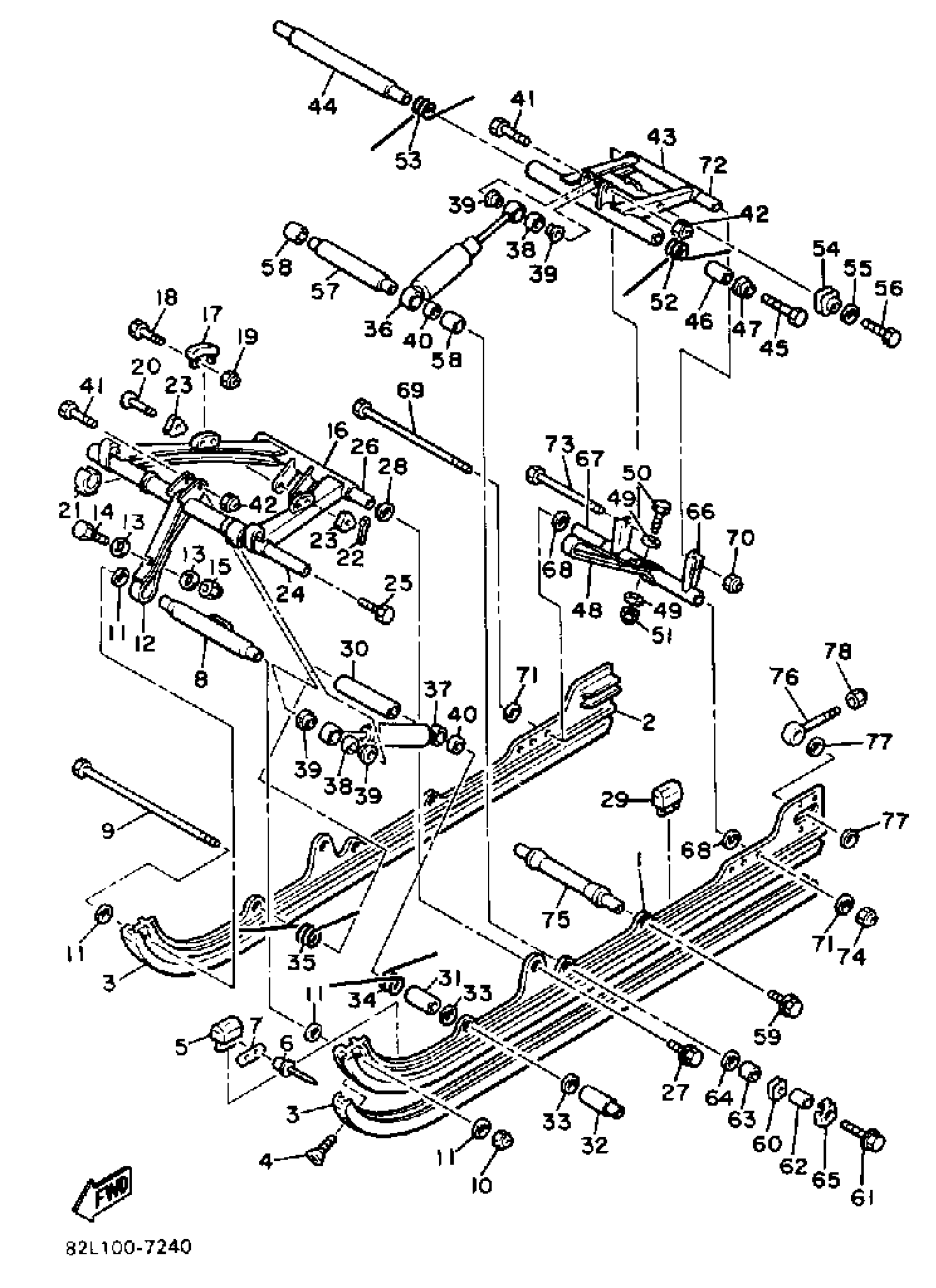
Yamaha PZ480EL (PHAZER DELUXE (ELEC START)) 1987 TRACK SUSPENSION 2 Diagram
#
1
AXLE
8V0-W4741-00-00
Unavailable
2
AXLE
8V0-W4741-00-00
Unavailable
3
RUNNER, SLIDING 1 (8V0-47421-00)
8V0-47421-00-XX
Unavailable
5
DAMPER 1
8V0-47456-00-00
Unavailable
8
BRACKET 1
8V0-47415-00-00
Unavailable
9
BOLT,HEXAGON
97027-08255-00
Unavailable
11
.. WASHER, PLATE
92990-08600-00
Unavailable
12
STOPPER 1
8V0-47495-00-00
Unavailable
16
ARM, PIVOT 1
85L-47331-00-00
Unavailable
17
RUNNER, SLIDING 2
8F3-47422-01-00
Unavailable
20
PIN, CLEVIS (90240-12107-00)
90240-12136-00
Unavailable
21
HOOK 2
8V0-47447-01-00
Unavailable
22
PIN, COTTER
91490-30030-00
Unavailable
23
HOOK 3
8V0-47448-00-00
Unavailable
24
SHAFT 1
8A5-47465-02-00
Unavailable
25
BOLT (8V0)
90109-10771-00
Unavailable
26
SHAFT 3
8K2-47485-00-00
Unavailable
27
BOLT, FLANGE
95817-10030-00
Unavailable
28
COLLAR (8U7)
90387-105G6-00
Unavailable
29
DAMPER 1
8V0-47456-00-00
Unavailable
30
COLLAR
90387-160M7-00
Unavailable
31
COLLAR
8V0-47319-00-00
Unavailable
32
COLLAR
90387-166M8-00
Unavailable
33
WASHER, PLATE
90201-161E5-00
Unavailable
34
SPRING, TORSION
90508-75651-00
Unavailable
35
SPRING, TORSION
90508-75652-00
Unavailable
36
SHOCK ABSORBER
80L-47480-00-00
Unavailable
37
SHOCK ABSORBER 2
80L-47481-00-00
Unavailable
38
COLLAR
90387-084J8-00
Unavailable
39
COLLAR (8U7)
90387-123G4-00
Unavailable
40
BUSH, PIVOT
8V0-47371-00-00
Unavailable
41
BOLT
97013-08045-00
Unavailable
43
ARM, PIVOT 2
8V0-47332-00-00
Unavailable
44
SHAFT 2
8K2-47475-00-00
Unavailable
45
BOLT (8V0)
90109-10771-00
Unavailable
46
COLLAR 1
8V0-47365-00-00
Unavailable
47
WASHER
8V0-47384-00-00
Unavailable
48
STOPPER 2
8V0-47496-00-00
Unavailable
52
SPRING, TORSION (L.H)
90508-10579-00
Unavailable
52
SPRING, TORSION(8X9)
90508-99656-00
Unavailable
53
SPRING, TORSION (R.H)
90508-10580-00
Unavailable
53
SPRING, TORSION (K178)
90508-99657-00
Unavailable
54
HOOK 1
86S-47446-01-00
Unavailable
55
WASHER, PLATE 8221447500
90201-06057-00
Unavailable
56
BOLT, HEXAGON DEEP RECESS
97D95-06016-00
Unavailable
57
SHAFT 4
8V0-47486-00-00
Unavailable
58
COLLAR
8V0-47338-00-00
Unavailable
59
BOLT, FLANGE(8AB)
95817-08020-00
Unavailable
60
HOOK 2
890-47447-00-00
Unavailable
61
BOLT, FLANGE
95817-08055-00
Unavailable
62
COLLAR (878)
90387-08262-00
Unavailable
63
COLLAR
90387-12105-00
Unavailable
64
.. WASHER, PLATE
92990-08600-00
Unavailable
65
PLATE, GUIDE
8V0-47467-00-00
Unavailable
66
BRACKET 3
8V0-47417-00-00
Unavailable
67
COLLAR
90387-08632-00
Unavailable
68
WASHER (1T1)
90201-08649-00
Unavailable
69
BOLT,HEXAGON
97027-08255-00
Unavailable
71
.. WASHER, PLATE
92990-08600-00
Unavailable
72
COLLAR
90387-084J9-00
Unavailable
73
BOLT,HEXAGON
97027-08165-00
Unavailable
75
SHAFT 6
8V0-47488-00-00
Unavailable
76
COLLAR 3
8K2-47479-01-00
Unavailable
77
COLLAR 3
8K2-47479-01-00
Unavailable
77
WASHER, PLATE (888)
90201-20279-00
Unavailable
78
NUT, NYLON
95707-10300-00
Unavailable
