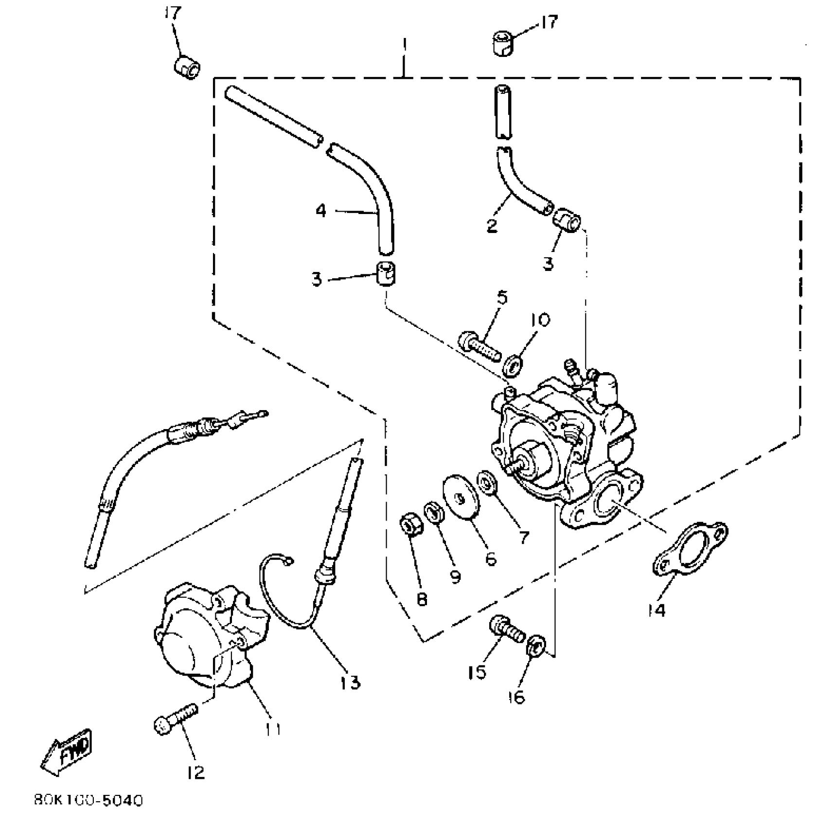
Yamaha PZ480EL (PHAZER DELUXE (ELEC START)) 1987 OIL PUMP Diagram
#
Description
Price
1
OIL PUMP ASSEMBLY (8V0-13101-00)
8V0-13101-01-00
Unavailable
5
SCREW, BINDING
98907-04020-00
Unavailable
6
PLATE, ADJUSTING
137-13138-01-00
Unavailable
13
PUMP CABLE ASY
8V0-26320-02-00
Unavailable
14
GASKET, PUMP CASE
126-13116-01-00
Unavailable
15
SCREW, PAN HEAD(6B0)
97885-05016-00
Unavailable
