- Partiron
- OEM Parts
- Yamaha
- snowmobile
- 1987
- PZ480EL (PHAZER DELUXE (ELEC START)) 1987
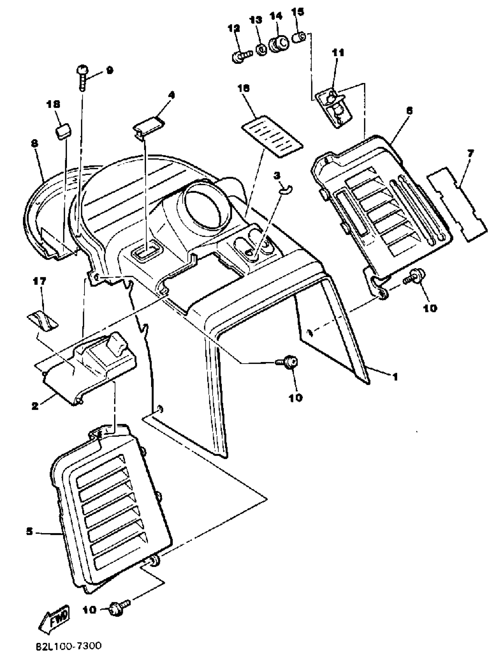
INSTRUMENT PANEL
Yamaha PZ480EL (PHAZER DELUXE (ELEC START)) 1987 INSTRUMENT PANEL Diagram
#
Description
Price
1
PANEL, INSTRUMENT
8X9-77711-01-00
Unavailable
2
PANEL, INSTRUMENT
8X9-77712-01-00
Unavailable
3
INDICATOR 2
8U9-77742-00-00
Unavailable
4
GROMMET, INSTRUMENT PANEL
8X9-77740-00-00
Unavailable
5
LOUVER 1
8X9-77131-00-00
Unavailable
6
LOUVER 2
8X9-77132-00-00
Unavailable
7
REFLECTOR 1
8V0-7716E-00-00
Unavailable
8
SHIELD 1
8V0-77731-00-00
Unavailable
10
SCREW, WITH WASHER
90159-05137-00
Unavailable
11
BRACKET 1
80L-77721-00-00
Unavailable
16
LABEL, WARNING 3
80L-77763-00-00
Unavailable
17
ORMNT, INSTR PNL 1PANEL 1
82L-77715-00-00
Unavailable
18
SHIELD 1
81H-77731-00-00
Unavailable
