- Partiron
- OEM Parts
- Yamaha
- snowmobile
- 1986
- PZ480EK (PHAZER) 1986
ELECTRICAL 1
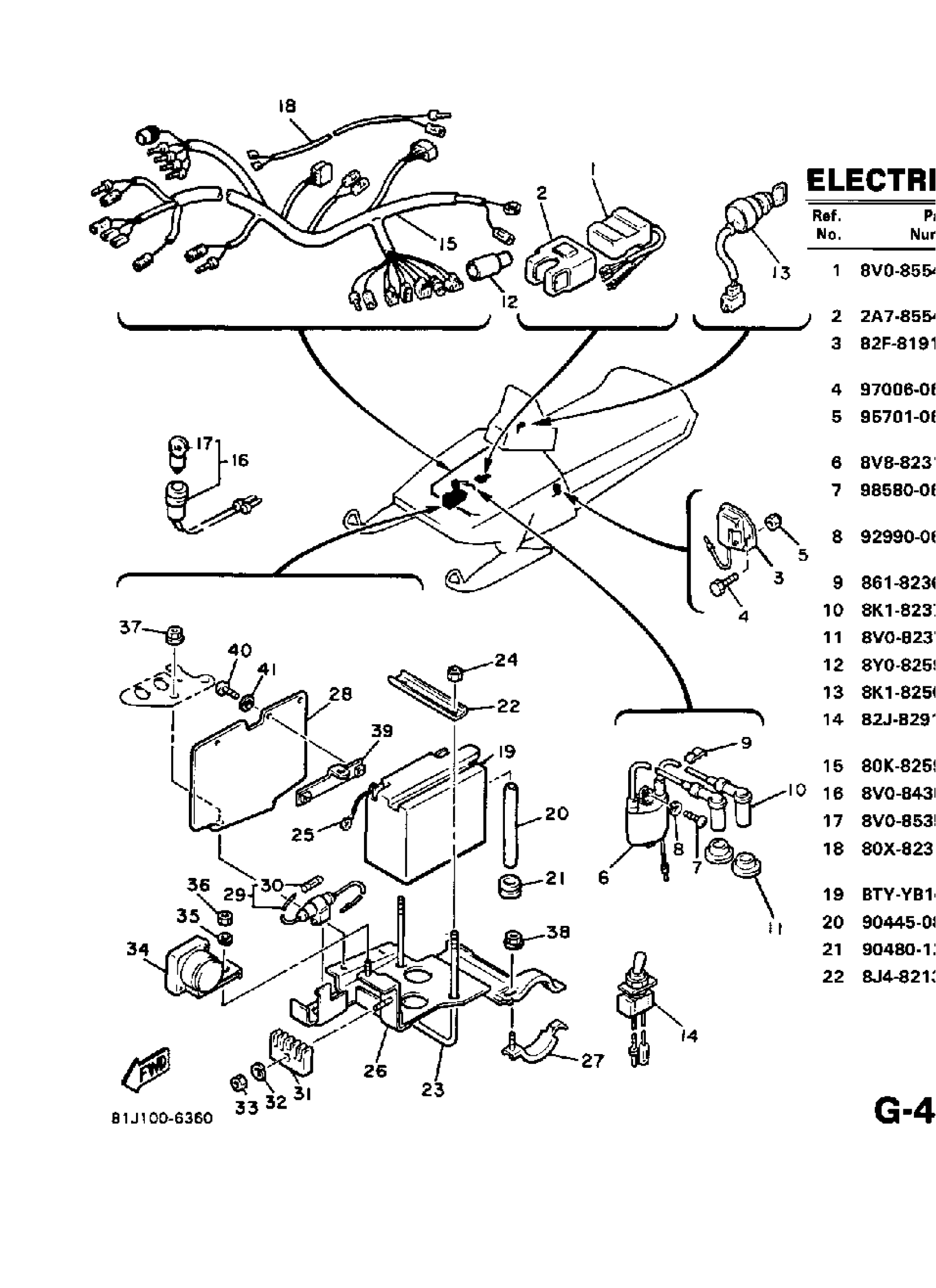
Yamaha PZ480EK (PHAZER) 1986 ELECTRICAL 1 Diagram
#
1
C.D.I. UNIT ASSEMBLY
8V0-85540-21-00
Unavailable
2
BAND
2A7-85546-00-00
Unavailable
6
IGNITION COIL ASY
8E7-82310-09-00
Unavailable
8
WASHER, SPRING
92995-06100-00
Unavailable
9
CLAMP, CORD
861-82361-00-00
Unavailable
12
COVER, CONNECTER
8Y0-82599-00-00
Unavailable
13
MAIN SWITCH ASSY
8K1-82510-21-00
Unavailable
15
WIRE HARNESS ASSEMBLY
80K-82590-20-00
Unavailable
16
PILOT LIGHT ASSEMBLY 1
8V0-84301-00-00
Unavailable
17
. BULB (12V5W)
8V0-85353-00-00
Unavailable
18
WIRE, SUB-LEAD
80X-82318-00-00
Unavailable
19
UNAVAILABLE IN PRICE BOOK
BTY-YB146-A2-00
Unavailable
20
HOSE (L340)
90445-08684-00
Unavailable
21
GROMMET 152845180000
90480-12013-00
Unavailable
22
PLATE, BATTERY FITTING
8J4-82136-00-00
Unavailable
23
. SCREW, FITTING
8J4-82133-00-00
Unavailable
25
. WIRE, PLUS LEAD
89X-82115-00-00
Unavailable
26
BRACKET, BATTERY
8V0-2199G-00-00
Unavailable
27
PLATE, BATTERY FITTING
8V0-82136-00-00
Unavailable
28
SHIELD, HEAT
8V0-2199H-00-00
Unavailable
29
FUSE HOLDER ASSEMBLY
2J2-82150-10-00
Unavailable
30
FUSE
682-82151-02-00
Unavailable
31
RECTIFIER ASSY (RXKING,RXS)
3HB-H1970-01-00
Unavailable
32
WASHER, SPRING
92995-06100-00
Unavailable
33
NUT, HEXAGON
95380-06600-00
Unavailable
34
. STARTER RELAY ASSY
8J9-81940-10-00
Unavailable
35
WASHER, SPRING
92995-06100-00
Unavailable
36
NUT, HEXAGON
95380-06600-00
Unavailable
37
NUT, FLANGE(7NB)
95780-06500-00
Unavailable
38
NUT, FLANGE(7NB)
95780-06500-00
Unavailable
39
. BRACKET, BATTERY
8V0-82128-00-00
Unavailable
40
GASKET, EXHAUST
98507-05008-00
Unavailable
41
WASHER, PLAIN (646)
92990-05600-00
Unavailable
