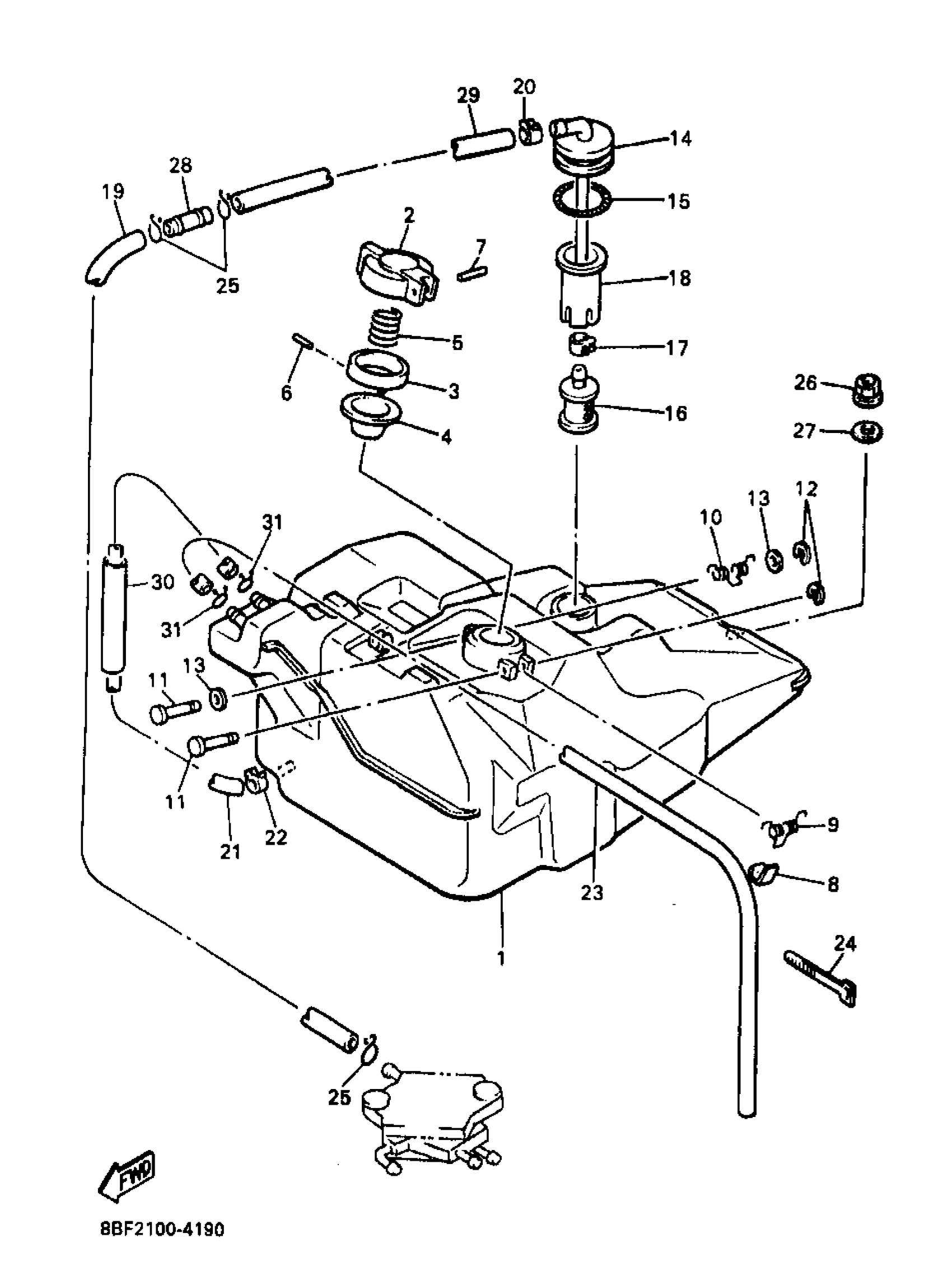
Yamaha PZ480B (PHAZER SS) 8BF5 1998 FUEL TANK Diagram
#
Description
Price
1
TANK, FUEL
8V0-24111-03-00
Unavailable
2
BODY, CAP
8A5-24611-00-00
Unavailable
6
PIN, SPRING
91690-30016-00
Unavailable
9
SPRING, TORSION(81E)
90508-10715-00
Unavailable
10
SPRING, TORSIOW (8F3)
90508-08353-00
Unavailable
14
PIPE, SUCTION 1 (8V0-24335-01)
86M-24335-00-00
Unavailable
16
FILTER ASSY
8H5-24560-00-00
Unavailable
17
CLIP
90467-11028-00
Unavailable
18
PIPE, SUCTION 2
8V0-24336-00-00
Unavailable
19
TUBE, FLEXIBLE VINYL(8AK)
91A20-07039-00
Unavailable
20
CLIP
90467-11028-00
Unavailable
21
TUBE, FLEXIBLE VINYL(8AK)
91A20-05080-00
Unavailable
22
CLIP (8A1)
90467-09026-00
Unavailable
23
HOSE
90446-09306-00
Unavailable
24
BAND
341-26397-01-00
Unavailable
25
CLIP (8J7)
90467-11009-00
Unavailable
26
NUT, NYLON
95717-08300-00
Unavailable
27
WASHER, PLATE (3L7)
90201-08784-00
Unavailable
28
PIPE, JOINT 4
878-24379-00-00
Unavailable
29
TUBE, FLEXIBLE(3NV)
91A21-07020-00
Unavailable
30
PROTECTOR, PIPE
88T-24326-00-00
Unavailable
31
CLIP
90467-090A2-00
Unavailable
