Partiron

Yamaha PW80N1 (PW80) 3RVE 2001 FRAME Diagram

#

Description
Price

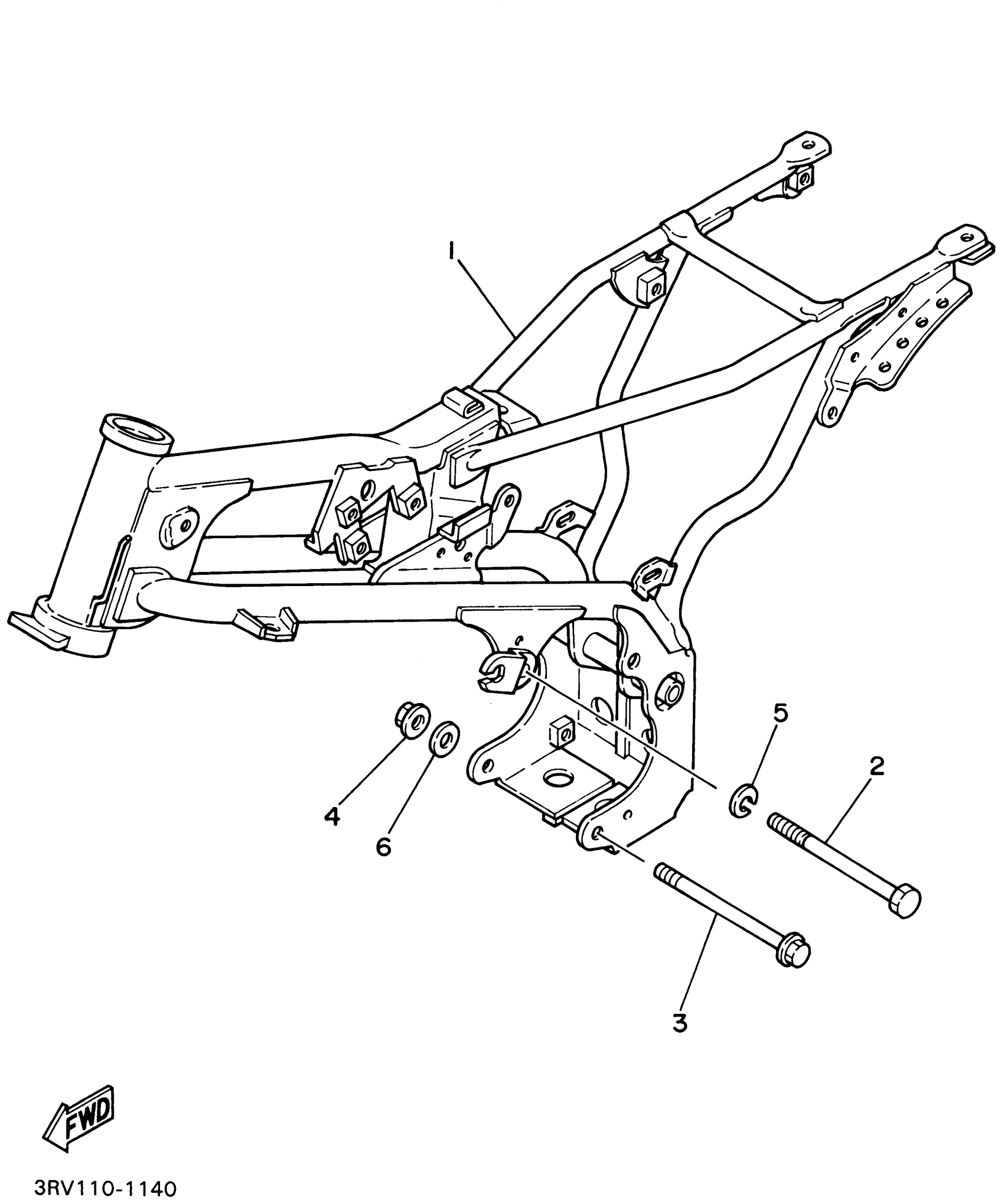
1

FRAME COMP.

21W-21110-10-33

Unavailable

2

BOLT, HEXAGON (582)

90101-08286-00

$7.49

3

BOLT, FLANGE(4EM)

95817-08120-00

$4.99

4

NUT, FLANGE(JN5)

95707-08500-00

$3.13

5

WASHER(JN5)

92907-08100-00

$8.49

6

WASHER, PLATE(3XP)

90201-086P8-00

$4.77