Partiron

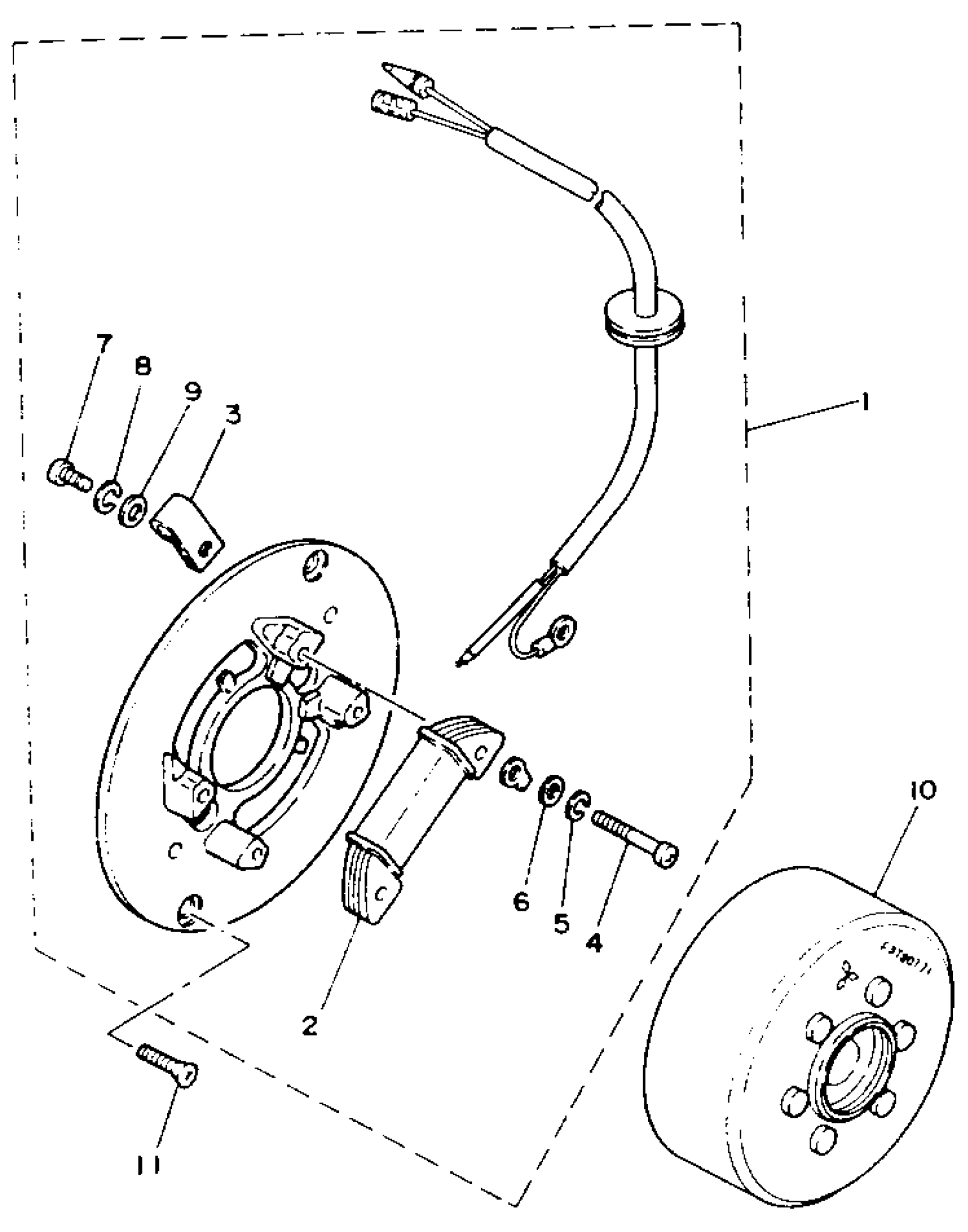
Yamaha PW80F (Y-ZINGER) 1994 GENERATOR Diagram

#

Description
Price

1

STATOR ASSEMBLY

1RY-85510-20-00

Unavailable

2

. COIL, SOURCE

1RY-85512-20-00

Unavailable

3

CLAMP, LEAD

104-81328-20-00

$6.99

4

SCREW, PAN HEAD

98517-04025-00

Unavailable

5

YBS67-4 WASHER, SPRING

92990-04100-00

$0.86

6

WASHER, PLAIN (646)

92990-04600-00

$5.99

7

SCREW, PAN HEAD (713)

98580-04008-00

$5.60

8

YBS67-4 WASHER, SPRING

92990-04100-00

$0.86

9

WASHER, PLAIN (646)

92990-04600-00

$5.99

10

ROTOR ASSEMBLY

21W-85550-20-00

Unavailable

11

SCREW, FLAT

98707-05016-00

$7.99