- Partiron
- OEM Parts
- Yamaha
- motorcycle
- 1991
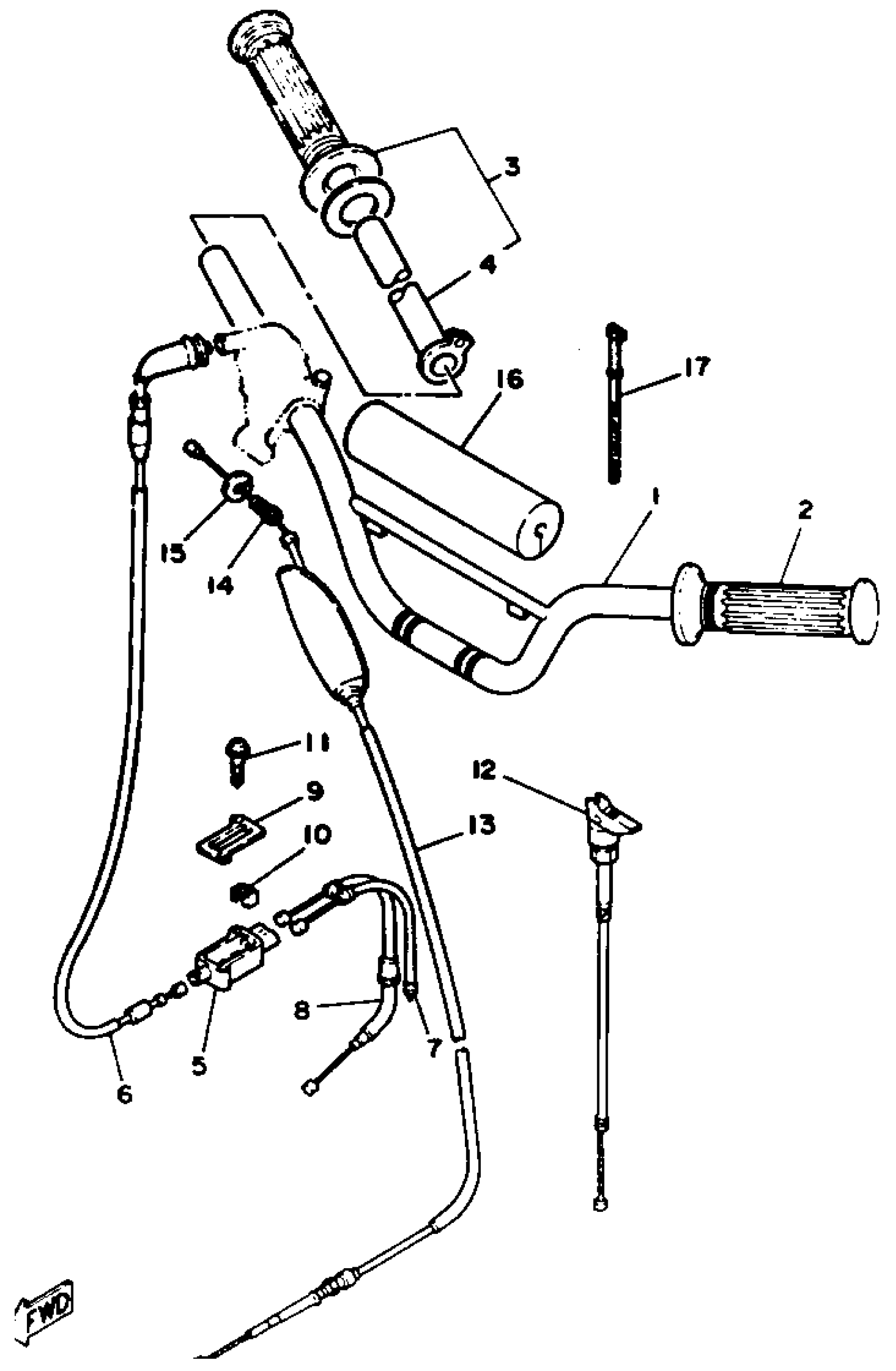
- PW80B (Y-ZINGER) 1991
HANLEBAR CABLE
Yamaha PW80B (Y-ZINGER) 1991 HANLEBAR CABLE Diagram
#
Description
Price
16
PROTECTOR, HANDLEBAR
21W-26124-00-00
Unavailable
17
BAND, SWITCH CORD
437-83936-11-00
Unavailable
