- Partiron
- OEM Parts
- Yamaha
- motorcycle
- 1986
- PW50S (Y-ZINGER) 1986
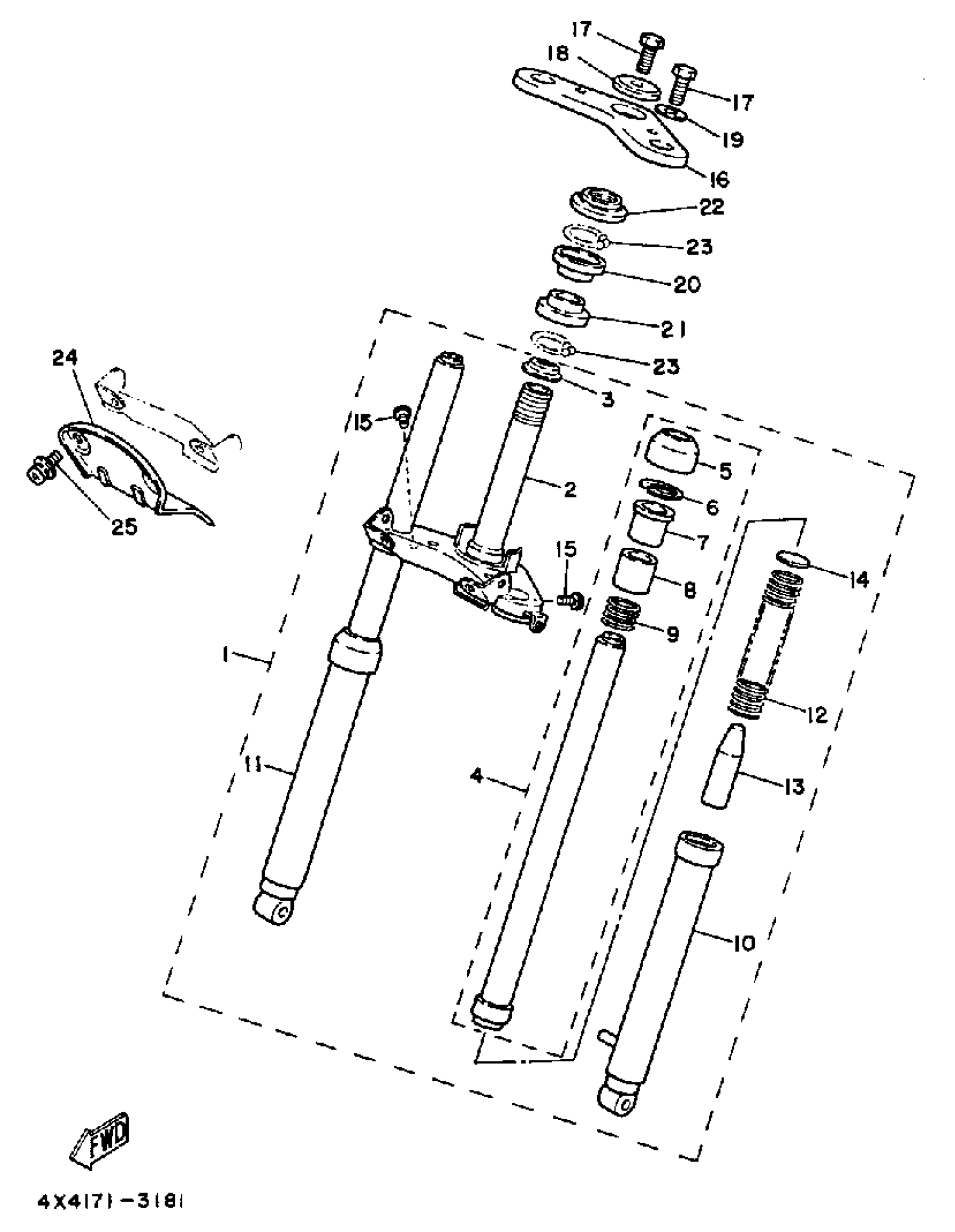
FRONT FORK
Yamaha PW50S (Y-ZINGER) 1986 FRONT FORK Diagram
#
Description
Price
1
FRONT FORK ASSY
3PT-23100-11-E1
Unavailable
2
UNDER BRACKET COMP.
3PT-23340-10-00
Unavailable
7
.. METAL, SLIDE 1
2E9-23125-02-00
Unavailable
8
.. COLLAR
3L5-23113-00-00
Unavailable
10
. OUTER TUBE LH (LH)
4X4-23106-00-E1
Unavailable
11
. UNAVAILABLE IN PRICE BOOKCOMP (RH)
4X4-23107-00-EL
Unavailable
12
SPRING, FRONT FORK
4X4-23141-00-00
Unavailable
14
SEAT, SPRING UNDER
2E9-23143-00-00
Unavailable
16
CROWN, HANDLE
4X4-23435-00-00
Unavailable
17
BOLT 1222345100
90105-10006-00
Unavailable
18
WASHER (1YJ)
90209-10160-00
Unavailable
19
WASHER PLATE (3L6)
90201-10742-00
Unavailable
20
RACE, BALL 2
2SA-23412-00-00
Unavailable
21
RACE, BALL 3
2SA-23413-00-00
Unavailable
22
RACE, BALL 1
3PT-23411-00-00
Unavailable
23
BALL
93505-32002-00
Unavailable
24
PLATE 1
4X4-21543-00-00
Unavailable
25
SCREW, W/WASHER (4L0)
90159-06060-00
Unavailable
