Partiron

Yamaha PW50J1 (Y-ZINGER) 3PTM 1997 GENERATOR Diagram

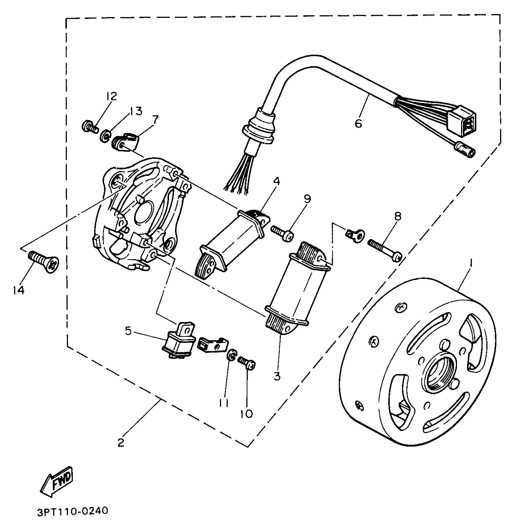
#

Description
Price

1

ROTOR ASSY

3L6-85550-M1-00

Unavailable

2

BASE ASSEMBLY

4X4-85560-M1-00

Unavailable

3

COIL, LIGHTING 1

4X4-81313-M0-00

Unavailable

4

COIL, CHARGE

4Y4-85520-M1-00

Unavailable

5

PULSER ASSY

3L5-85580-M0-00

$70.99

6

. CORD ASSEMBLY

4X4-8131X-M0-00

Unavailable

7

CLAMP (2T4)

90461-05036-00

Unavailable

8

SCREW, PAN HEAD

98517-04025-00

Unavailable

9

SCREW, PAN HEAD

98517-04012-00

$3.88

10

SCREW, PAN HEAD (E56)

98580-04010-00

$8.49

11

YBS67-4 WASHER, SPRING

92990-04100-00

$0.86

12

SCREW, PAN HEAD(3XP)

98517-04006-00

Unavailable

13

YBS67-4 WASHER, SPRING

92990-04100-00

$0.86

14

SCREW, FLAT HEAD(4EM)

98707-06016-00

$8.49