- Partiron
- OEM Parts
- Yamaha
- motorcycle
- 1981
- PW50H (PW50) 1981
REAR ARM - SUSPENSION
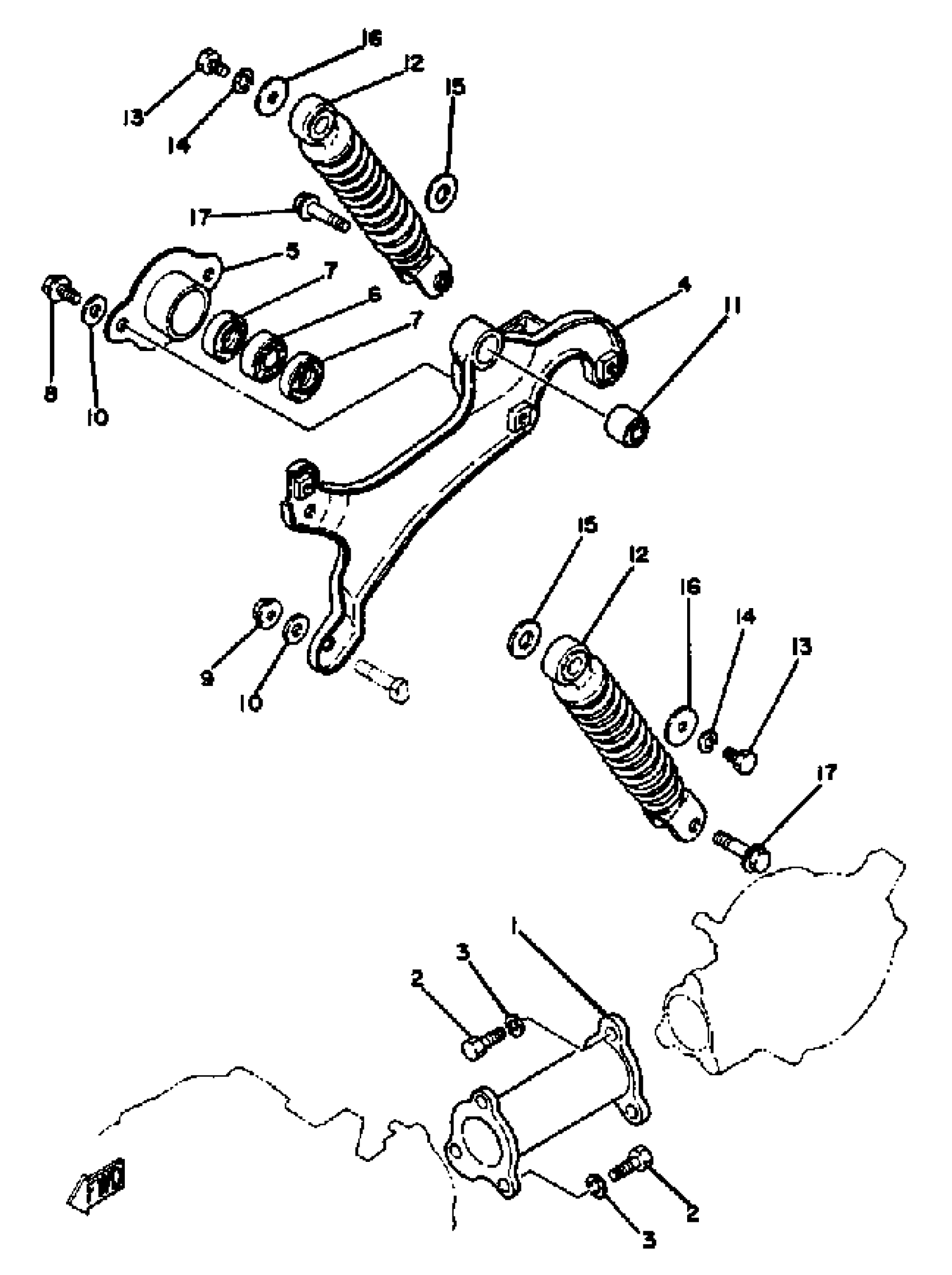
Yamaha PW50H (PW50) 1981 REAR ARM - SUSPENSION Diagram
#
Description
Price
1
REAR ARM COMP.
3L7-22110-00-98
Unavailable
4
REAR ARM COMP.
4X4-22110-10-00
Unavailable
8
BOLT WASHER BASED (1J7)
90105-08066-00
Unavailable
12
SHK/ABS ASY, REAR
3PT-22210-00-33
Unavailable
14
WASHER, SPRING
92995-06100-00
Unavailable
16
WASHER, PLATE (4X4)
90201-067A0-00
Unavailable
17
BOLT, FLANGE
90105-08121-00
Unavailable
