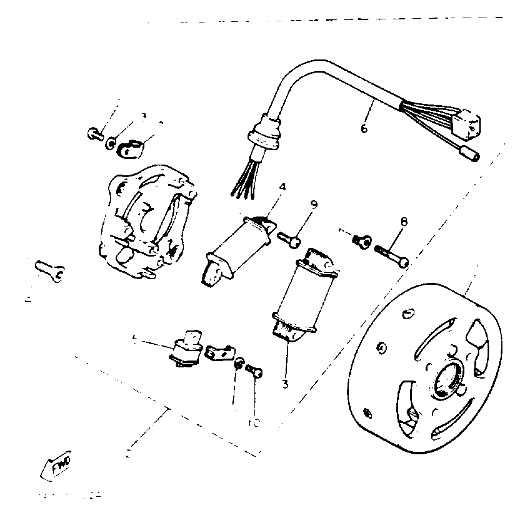
GENERATOR
#
1
3L6-85550-M1-00
Unavailable
2
4X4-85560-M1-00
Unavailable
3
4X4-81313-M0-00
Unavailable
4
4Y4-85520-M1-00
Unavailable
6
4X4-8131X-M0-00
Unavailable
7
90461-05036-00
Unavailable
8
98517-04025-00
Unavailable
9
98511-04012-00
Unavailable
12
98517-04006-00
Unavailable
14
98704-06016-00
Unavailable
Edit ride
