- Partiron
- OEM Parts
- Polaris
- Watercraft
- PWC
- 2001
- PRO 1200 - W014999D
OIL TANK - W014999D (4964886488A011)
Polaris PRO 1200 - W014999D OIL TANK - W014999D (4964886488A011) Diagram
#
Description
Price
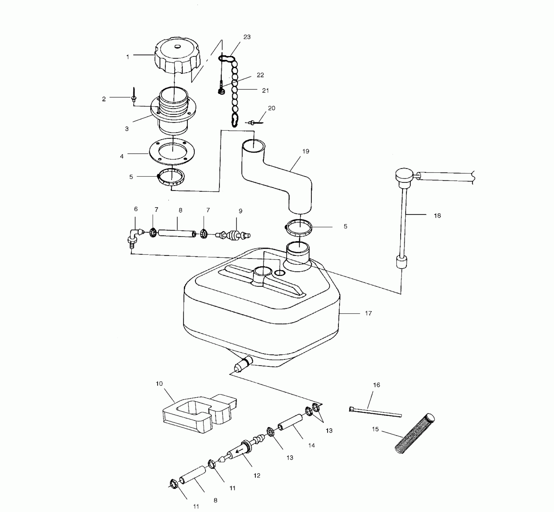
1
CAP,OILTANK
5432843
Unavailable
2
RIVET-POP (50)
7661042
Unavailable
3
INLET-OIL,.150
5433914
Unavailable
4
GASKET,OIL INLET
5811554
Unavailable
5
CLAMP, HOSE(10) Substituted by 7080870
7080481
Unavailable
5
CLAMP, HOSE(10) Substituted by 7080870
7080481
Unavailable
6
ELBOW,90 DEG.
7052130
Unavailable
7
STRAP, PANDUIT,4 IN.(10)
7080483
Unavailable
7
STRAP, PANDUIT,4 IN.(10)
7080483
Unavailable
8
FUEL LINE,1/4 ID(1525 CM.)
8450003-1525
Unavailable
8
FUEL LINE,1/4 ID(1525 CM.)
8450003-1525
Unavailable
9
VALVE,VACUUM CHECK
7052118
Unavailable
10
CRADLE-OIL TANK
5411826
Unavailable
12
FILTER,OIL
2530015
Unavailable
14
FUEL LINE
8450059-150
Unavailable
15
CONDUIT,CONVOL(30 CM)
4010051-30
Unavailable
17
TANK,OIL,(SL2)
5432768
Unavailable
18
SENDER ASM,OIL LEVEL
2410131
Unavailable
19
HOSE,OIL FILL
5411832
Unavailable
20
RIVET(50)
7621229
Unavailable
21
CHAIN,BEAD,FUELCAP RETAIN.
7080710
Unavailable
22
SCREW, SS.
7517241
Unavailable
23
Coupling
7080442
Unavailable
