- Partiron
- OEM Parts
- Polaris
- Watercraft
- PWC
- 2001
- PRO 1200 - W014999D
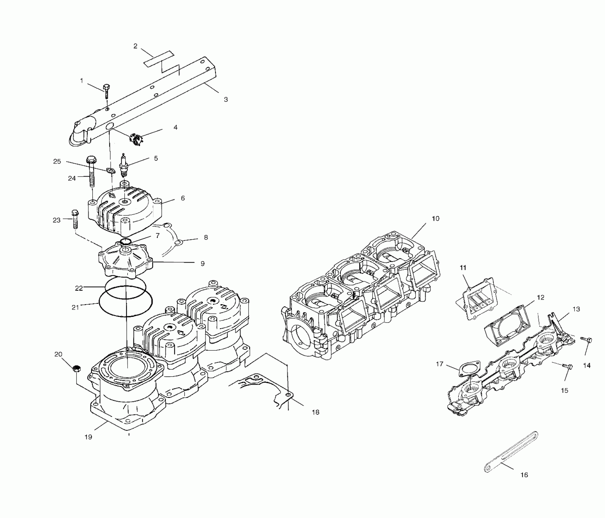
CYLINDER and MANIFOLD - W014999D (4964886488C004)
Polaris PRO 1200 - W014999D CYLINDER and MANIFOLD - W014999D (4964886488C004) Diagram
#
Description
Price
1
BOLT(10)
7516806
Unavailable
2
Decal, Warning
7075383
Unavailable
3
ASM-WATER MANIFOLD,3 CYL,HFRED
1202083-093
Unavailable
4
PLUG,PIPE(10)
7051527
Unavailable
6
COVER,HEAD,RED,BIG BORE
5630527-093
Unavailable
8
RING,HEAD,81MM-SS
5241944
Unavailable
9
HEAD,CYL,84MM PWC,MSV
3021122
Unavailable
10
Kit - Asm., Triple Crankcase (See Crankcase Pg. C3, Ref.1)
-------
Unavailable
11
REED BLOCK ASM,TRIPLE
1201595
Unavailable
12
STUFFER-REED BLOCK
5432162
Unavailable
13
ADAPTOR,CARB,3 CYL.
5630582
Unavailable
14
BOLT(10)
7516807
Unavailable
15
BOLT(10)
7516814
Unavailable
17
GASKET,CARB.
5830043
Unavailable
18
GASKET,CYL.BASE
5830123
Unavailable
19
CYLINDER-84MM,PWC
3021017
Unavailable
21
O-Ring
5410931
Unavailable
22
O-RING-90MMX94MMX2MM,HI-TEMP
5411573
Unavailable
23
SCREW, S.S.
7517352
Unavailable
24
BOLT(10)
7516722
Unavailable
25
GASKET,WATER MANIF.
5830061
Unavailable
