- Partiron
- OEM Parts
- Polaris
- Watercraft
- PWC
- 2000
- PRO 1200 - W004999D
ENGINE MOUNTING - W004999I (4955805580C001)
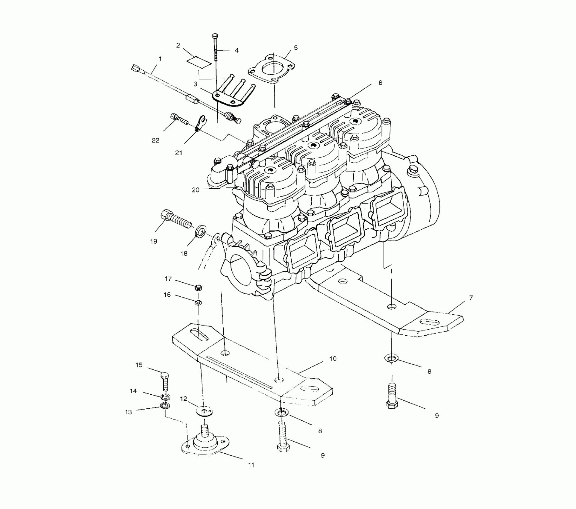
Polaris PRO 1200 - W004999D ENGINE MOUNTING - W004999I (4955805580C001) Diagram
#
Description
Price
1
SWITCH,TEMP,W/CONNECTOR
2410187
Unavailable
3
GROUND,SPARKPLUG,3CYL
5242476
Unavailable
4
SCREW,SHOULDER,S.S.(10)
7515149
Unavailable
5
GASKET,EXH.PIPE
5830051
Unavailable
6
Decal - Warning (See Footnote) (See Cylinder and Manifold Pg. C3, Ref. 2)
-------
Unavailable
7
PLATE,F.MOUNT Substituted by 5631128
5630585
Unavailable
8
WASHER,LOCK,S.S.
7552609
Unavailable
8
WASHER,LOCK,S.S.
7552609
Unavailable
9
SCREW, SS.
7517330
Unavailable
9
SCREW, SS.
7517330
Unavailable
10
PLATE,R.MOUNT Substituted by 5631129
5630584
Unavailable
11
MOUNT-ENGINE,PWC
3021102
Unavailable
12
SHIM,ENG.MT.(PWC)
5211727
Unavailable
13
WASHER, FLAT, S.S.,(10)
7555835
Unavailable
14
WASHER, LOCK, S.S.(10)
7552610
Unavailable
15
SCREW(10)
7517627
Unavailable
16
WASHER, FLAT, S.S.(10)
7555848
Unavailable
17
NUT, NYLOK, S.S.(10) Substituted by 7547001
7542725
Unavailable
18
WASHER,LOCK,SS.
7556055
Unavailable
20
SHORTBLOCK,W120-TCSP-02A (See Footnote) Note: The Short Block assembly contains a crankcase assembly, cylinder and cylinder head assembly, and a piston & crankshaft assembly.
2201704
Unavailable
21
CLIP,RETAIN,TEMP.SW.
5240876
Unavailable
