- Partiron
- OEM Parts
- Polaris
- Watercraft
- PWC
- 2000
- PRO 1200 - W004999D
COOLING SYSTEM - W004999D (4955805580B009)
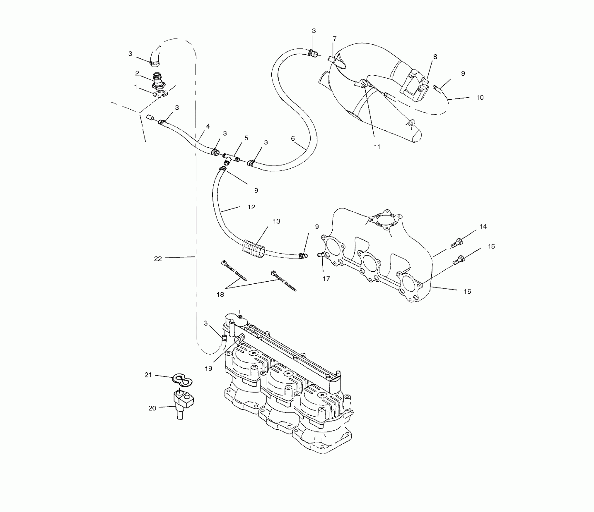
Polaris PRO 1200 - W004999D COOLING SYSTEM - W004999D (4955805580B009) Diagram
#
Description
Price
1
Gasket
5811317
Unavailable
2
FITTING,THRU HULL,WATER Substituted by 5431444-133
5431444
Unavailable
4
HOSE,WATER,IN
5411923
Unavailable
5
FITTING,TEE
5431784
Unavailable
6
HOSE,WTR,IN,EXPIPE,PRO1200
5411924
Unavailable
7
Fitting, Inlet, Water (See Exhaust System Pg. B6, Ref. 1)
-------
Unavailable
8
Fitting, Exhaust Screen (See Exhaust System Pg. B6, Ref. 8)
-------
Unavailable
10
HOSE,STINGER
5411153
Unavailable
11
Fitting, Exhaust Injector (See Exhaust System Pg. B6, Ref.11)
-------
Unavailable
12
DESC NOT_AVAILABLE
8450054-44
Unavailable
13
CONDUIT,FLEX(.75"ID) Substituted by 5521398-96
5521398-42
Unavailable
14
Bolt
7516727
Unavailable
15
BOLT, S.S,(10)
7516725
Unavailable
16
MANIFOLD ASM,EXH,(TRIPLE)
1260809
Unavailable
17
FITTING,DRAIN,EXH.MANIFOLD
5020746
Unavailable
19
PLUG,PIPE(10)
7051527
Unavailable
20
COVER,THERMOSTAT Substituted by 5631098
5131008
Unavailable
21
SEAL,O-RING/THERMO/FITTING
5410860
Unavailable
22
HOSE,BILGE,PRO 1200
5411925
Unavailable
