- Partiron
- OEM Parts
- Polaris
- ATV
- 2003
- PREDATOR - A03GJ50AA/AB
MAIN FRAME - A03GJ50AA/AB (4975767576A03)
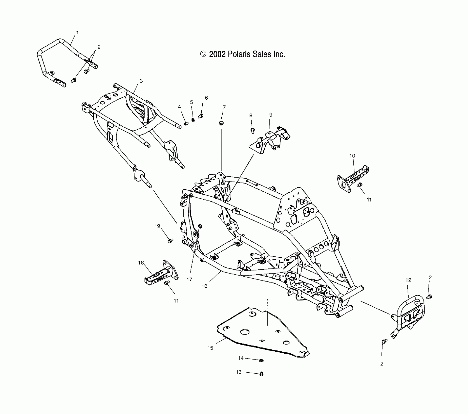
Polaris PREDATOR - A03GJ50AA/AB MAIN FRAME - A03GJ50AA/AB (4975767576A03) Diagram
#
Description
Price
1
Bar, Grab, Silver
1013995-385
Unavailable
3
Frame, Rear, Silver (If built before 11/05/02)
1013707-385
Unavailable
3
Frame, Rear (If built after 11/05/02)
1014373
Unavailable
4
Bushing, Reducer (If built before 11/05/02)
5334392
Unavailable
5
Washer (If built after 11/05/02)
7556042
Unavailable
6
Screw (If built before 11/05/02)
7517820
Unavailable
9
Support, Fuel Tank, Black (If built before 9/30/02)
1013893-067
Unavailable
15
Guard, Rock
5434501
Unavailable
16
Frame, Main, Silver
1013709-385
Unavailable
18
Peg, Foot, RH, Silver
1013852-385
Unavailable
