- Partiron
- OEM Parts
- Polaris
- ATV
- 2006
- PREDATOR 500 - A06GJ50AA
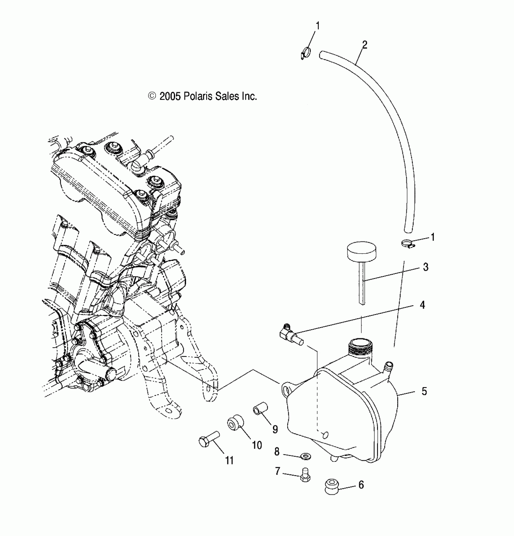
OIL TANK - A06GJ50AA/AB/AC (4999201849920184A13)
Polaris PREDATOR 500 - A06GJ50AA OIL TANK - A06GJ50AA/AB/AC (4999201849920184A13) Diagram
#
Description
Price
2
Line
8450096-100
Unavailable
