- Partiron
- OEM Parts
- Polaris
- ATV
- 2006
- PREDATOR 500 - A06GJ50AA
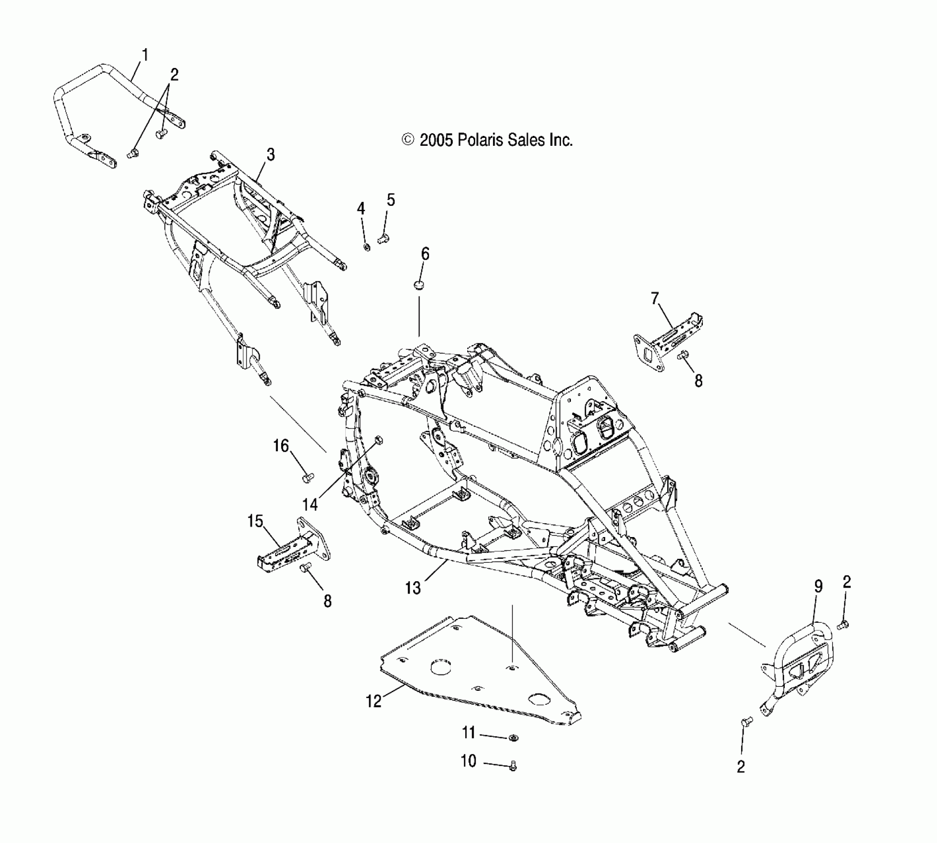
FRAME, MAIN - A06GJ50AA/AB/AC (4999201849920184A03)
Polaris PREDATOR 500 - A06GJ50AA FRAME, MAIN - A06GJ50AA/AB/AC (4999201849920184A03) Diagram
#
Description
Price
1
Bar, Grab, Matte' Black [AA][AB]
1013995-458
Unavailable
1
Bar, Grab, Alum, XTR [AC]
1014117
Unavailable
4
WASHER
7556042
Unavailable
9
Bumper, Front [AC]
1015178
Unavailable
12
Guard, Rock
5435737
Unavailable
13
Frame, Main, Matte' Black
1014780-458
Unavailable
15
Peg, Foot, RH, Matte' Black
1013852-458
Unavailable
