Partiron

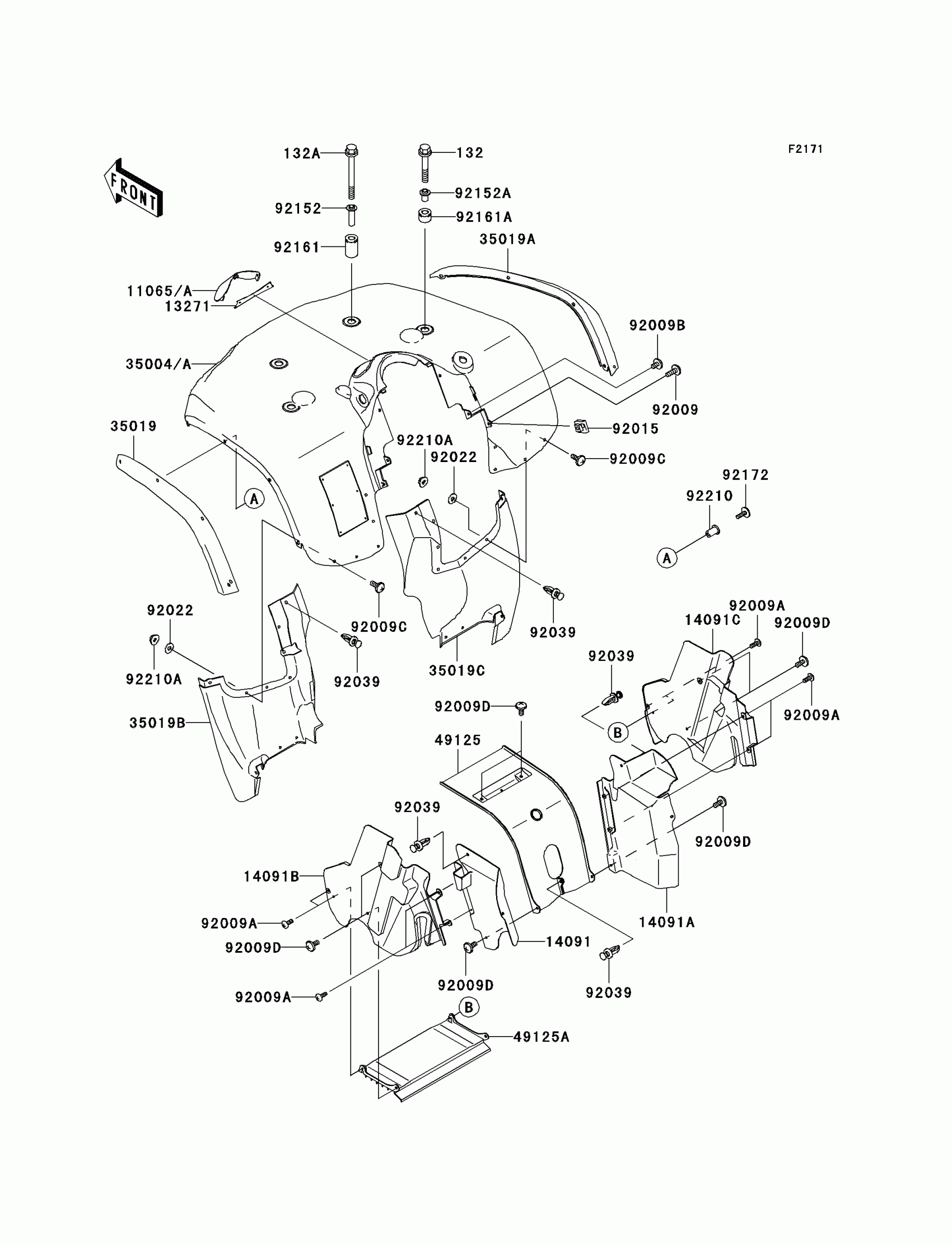
Kawasaki Prairie 650 4X4 Front Fender(s) Diagram

#

Description
Price

132

BOLT-FLANGED-SMALL,8X50

132J0850

$4.89

132A

BOLT-FLANGED-SMALL

132J0880

$2.49

11065

CAP,FR FENDER,A.RED

11065-1204-260

$7.89

11065A

CAP,FR FENDER,H.GREEN

11065-1204-6A

$7.89

13271

PLATE,FR FENDER CAP

13271-1640

$7.21

14091

COVER,SIDE,RR,LH

14091-1282

$15.79

14091A

COVER,SIDE,RR,RH

14091-1283

$15.79

14091B

COVER,SIDE,FR,LH

14091-1428

$19.59

14091C

COVER,SIDE,FR,RH

14091-1429

$19.59

35004

FENDER-FRONT,A.RED

35004-1452-260

$323.32

35004A

FENDER-FRONT,H.GREEN

35004-1452-6A

$323.32

35019

FLAP,FR,SIDE,LH,F.BLACK

35019-1365-6Z

$25.79

35019A

FLAP,FR,SIDE,RH,F.BLACK

35019-1366-6Z

$25.79

35019B

FLAP,FR,RR,LH,F.BLACK

35019-1391-6Z

$41.61

35019C

FLAP,FR,RR,RH,F.BLACK

35019-1392-6Z

$41.61

49125

SHROUD,FR,UPP

49125-1081

$25.62

49125A

SHROUD,FR,LWR

49125-1087

$15.31

92009

SCREW,6X18,BLACK

92009-1181

$2.80

92009A

SCREW,TAPPING,5X14

92009-1197

$3.92

92009B

SCREW,6X10

92009-1402

$2.41

92009C

SCREW,6X16

92009-1621

Unavailable

92009D

SCREW,6X14

92009-1662

$3.92

92015

NUT,CLAMP,6MM

92015-1678

$5.52

92022

WASHER,6.5X16X1.0

92022-1093

$2.08

92039

RIVET

92039-1229

$1.19

92152

COLLAR,L=65

92152-1226

$15.25

92152A

COLLAR,L=33.7

92152-1227

$12.52

92161

DAMPER,L=58.5

92161-1165

$7.04

92161A

DAMPER,L=25.5

92161-1166

$5.73

92172

SCREW,5X18

92172-1063

$3.16

92210

NUT,POP,5MM

92210-1227

$3.09

92210A

NUT,6MM

92210-1368

$2.52