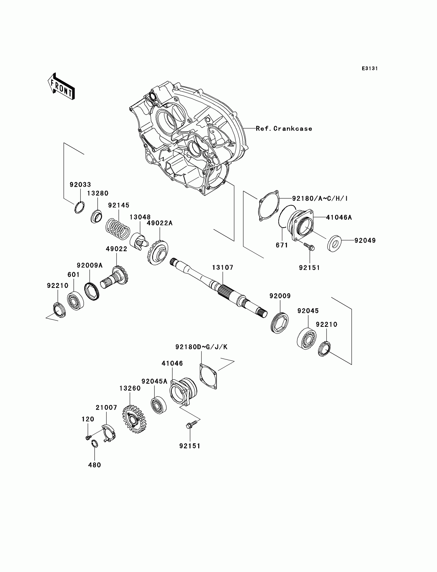
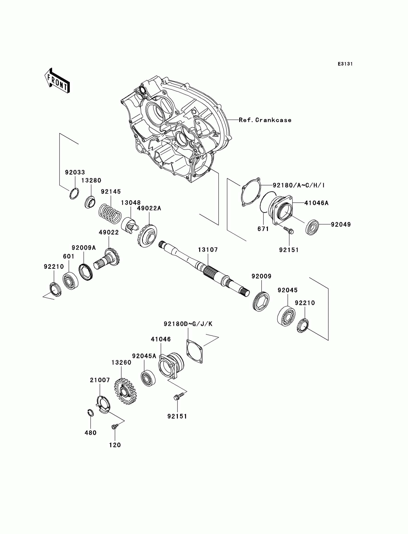
Kawasaki Prairie 650 4X4 Front Bevel Gear Diagram
#
Description
Price
13260
GEAR,OUTPUT 29T
13260-1922
Unavailable
21007
ROTOR,REVERSE SENSOR
21007-1411
Unavailable
41046A
HOUSING-BEARING
41046-1102
Unavailable
