Kawasaki Prairie 650 4X4 Advantage Classic Front Bevel Gear Diagram
#
Description
Price
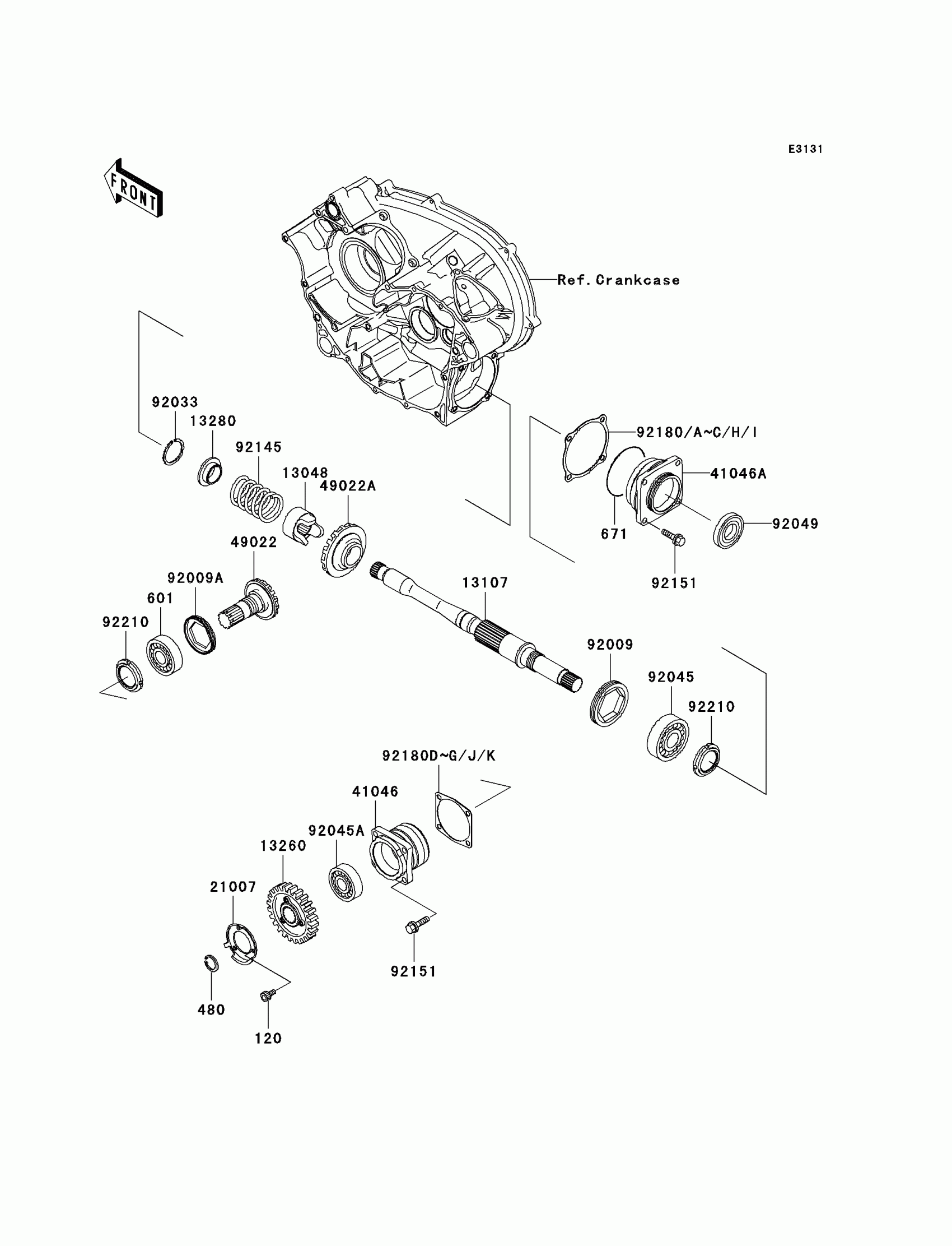
13260
GEAR,OUTPUT 29T
13260-1922
Unavailable
41046A
HOUSING-BEARING
41046-1102
Unavailable
#
13260
13260-1922
Unavailable
41046A
41046-1102
Unavailable
Edit ride
