- Partiron
- OEM Parts
- Yamaha
- snowmobile
- 1976
- PR440 1976
ELECTRICAL
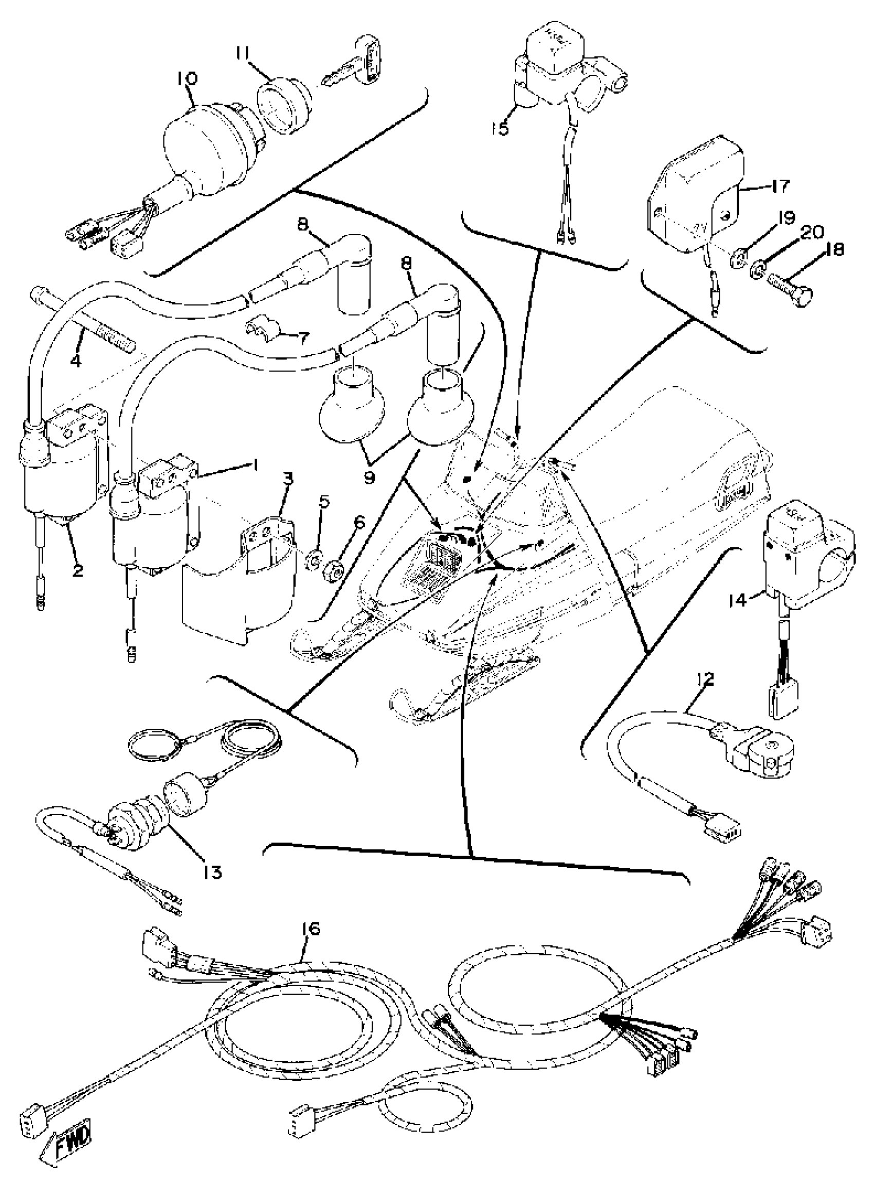
Yamaha PR440 1976 ELECTRICAL Diagram
#
Description
Price
1
IGNITION COIL ASSEMBLY
838-82310-40-00
Unavailable
2
IGNITION COIL ASSEMBLY
(839-82310-40-00)
Unavailable
3
COVER, IGNITN COIL
(838-82314-00-00)
Unavailable
7
CLAMP, CORD
861-82361-00-00
Unavailable
8
PLUG CAP ASSEMBLY
8A5-82370-20-00
Unavailable
9
SEAL, PLUG CAP
(8A1-82372-00-00)
Unavailable
10
MAIN SWITCH ASSEMBLY
898-82508-20-00
Unavailable
11
COLLAR, MAIN SWITCH
806-82516-00-00
Unavailable
12
STOP SWITCH ASSEMBLY
822-82530-00-00
Unavailable
13
STOP SWITCH ASSEMBLY
8J7-82550-01-00
Unavailable
14
BEAM SWITCH ASSEMBLY
861-83950-01-00
Unavailable
15
SWITCH, HANDLE 1
883-83976-00-00
Unavailable
16
WIRE HARNESS ASSEMBLY
(8A1-82590-20-00)
Unavailable
17
VOLTAGE REGULATOR ASSY
7XE-81910-00-00
Unavailable
18
BOLT (661)
97013-06012-00
Unavailable
19
WASHER, PLAIN (646)
92990-06600-00
Unavailable
20
WASHER, SPRING
92995-06100-00
Unavailable
