Partiron

Kawasaki Police 1000 FRAME Diagram

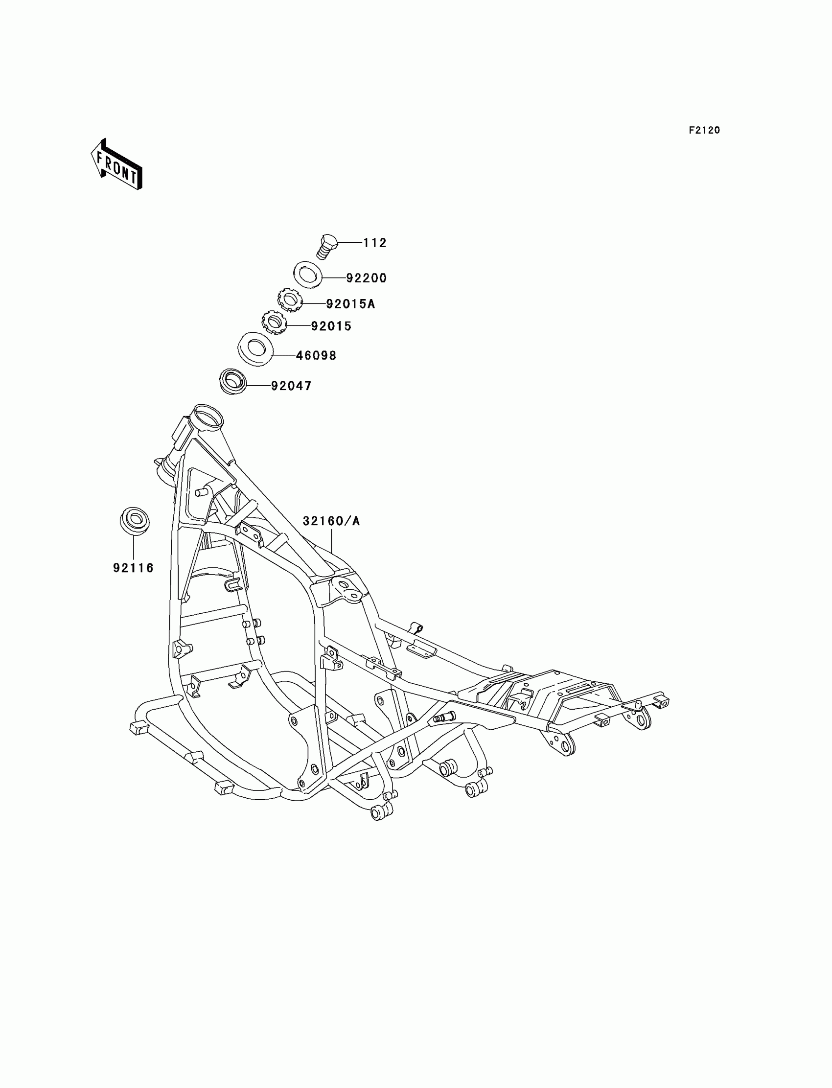
#

Description
Price

1

CAP,STEERING STEM

46098-017

Unavailable

2

FRAME-COMP

32160-1038

Unavailable

3

NUT,25MM,T=10

92015-1128

Unavailable

4

NUT,25MM,T=6

92015-1129

Unavailable

5

WASHER

92022-1229

Unavailable

6

RACE,ROLLER,32005JR RS

92047-017

Unavailable

7

BEARING-ROLLER,HR320/28XJ

92116-1009

Unavailable

8

BOLT-SMALL-FINE,14X25

113G1425

Unavailable