- Partiron
- OEM Parts
- Honda
- MOTORCYCLE
- 1990
- PC800A (90) PACIFIC COAST, JPN, VIN# JH2RC340-LM100001 TO JH2RC340-LM102558
FRONT FORK
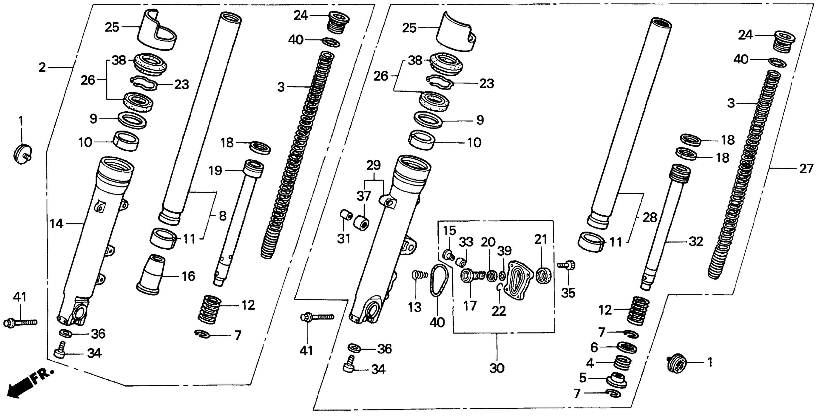
Honda PC800A (90) PACIFIC COAST, JPN, VIN# JH2RC340-LM100001 TO JH2RC340-LM102558 FRONT FORK Diagram
#
Description
Price
2
FORK ASSY., R. FR.
51400-MR5-003
Unavailable
3
SPRING, FR. FORK (SHOWA)
51401-MR5-003
Unavailable
8
PIPE, R. FR. FORK (SHOWA)
51410-MR5-003
Unavailable
13
SPRING, PISTON
51418-ML7-003
Unavailable
14
CASE, R. (LOWER)
51421-MR5-003
Unavailable
16
PIECE, OIL LOCK (SHOWA)
51432-MM5-003
Unavailable
17
PISTON
51436-ML7-003
Unavailable
19
PIPE, R. SEAT (SHOWA)
51440-MR5-003
Unavailable
20
RUBBER, STOPPER (NOT AVAILABLE)
51441-ML7-003
Unavailable
24
BOLT, FR. FORK (SHOWA)
51455-MN5-003
Unavailable
27
FORK ASSY., L. FR. This part replaces 51500-MR5-003.
51500-MR5-013
Unavailable
27
FORK ASSY., L. FR.
51500-MR5-013
Unavailable
28
PIPE, L. FR. FORK (SHOWA)
51510-MR5-003
Unavailable
29
CASE, L. (LOWER)
51521-MR5-003
Unavailable
30
CASE, PISTON (SHOWA) (NOT AVAILABLE)
51530-MR5-003
Unavailable
32
PIPE, L. SEAT (SHOWA)
51540-MR5-003
Unavailable
39
O-RING
91304-ML7-003
Unavailable
