- Partiron
- OEM Parts
- Polaris
- ATV
- 2016
- OUTLAW 90 (R04) - A16YAK09AF
ENGINE, CYLINDER HEAD - A16YAK09AF (49ATVCYLINDERHD11SP90)
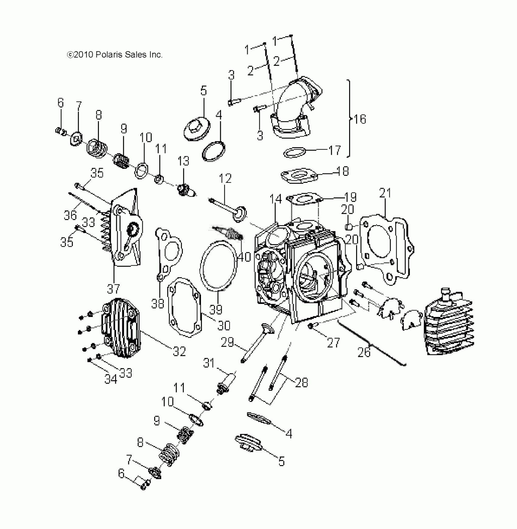
Polaris OUTLAW 90 (R04) - A16YAK09AF ENGINE, CYLINDER HEAD - A16YAK09AF (49ATVCYLINDERHD11SP90) Diagram
#
Description
Price
-
ASM., ENGINE
0455198
Unavailable
13
Guide, Valve Intake
0453575
Unavailable
14
ASM., HEAD, CYLINDER [INCL. 6-13,29,31]
0454845
Unavailable
16
ASM., MANIFOLD, INTAKE [INCL. 17]
0453448
Unavailable
19
GASKET, MANIFOLD
0453451
Unavailable
21
GASKET, CYLINDER HEAD
0454933
Unavailable
26
ASM., COVER, CYLINDER HEAD, SMALL, LH
0453582
Unavailable
30
GASKET-COVER,CYLINDER HEAD
0455337
Unavailable
38
GASKET, COVER, CYLINDER HEAD, RH
0453539
Unavailable
39
GASKET-COVER,CYL HEAD,LH
0455339
Unavailable
