Partiron

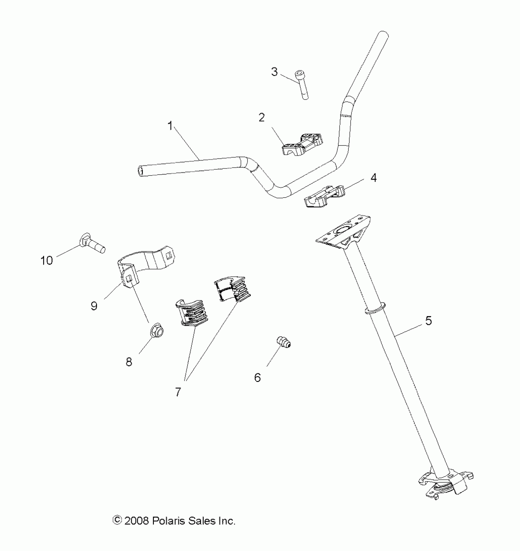
Polaris OUTLAW 525 "S" - A10GJ52AA STEERING, POST and HANDLEBAR - A10GJ52AA (49ATVHANDLEBAR09OUT450) Diagram

#

Description
Price

1

Tube, Handlebar, Matte' Black

5246156-458

Unavailable

2

Block, Handlebar, Mount

5631729

$31.99

3

Screw

7518640

Unavailable

4

Block, Handlebar

5631892

$27.99

5

Asm., Steering Post

1823483

Unavailable

6

Fitting, Lubrication

7080433

$1.49

7

Bushing, Steering, Upper

5436128

Unavailable

8

NUT- M8X1.25, FLG, NYLOC-OLIVE D

7547332

$3.99

9

Bracket, Upper Steering Bushing

5249143

Unavailable

10

Bolt, Carriage

7518564

$4.79