- Partiron
- OEM Parts
- Polaris
- ATV
- 2010
- OUTLAW 525 "S" - A10GJ52AA
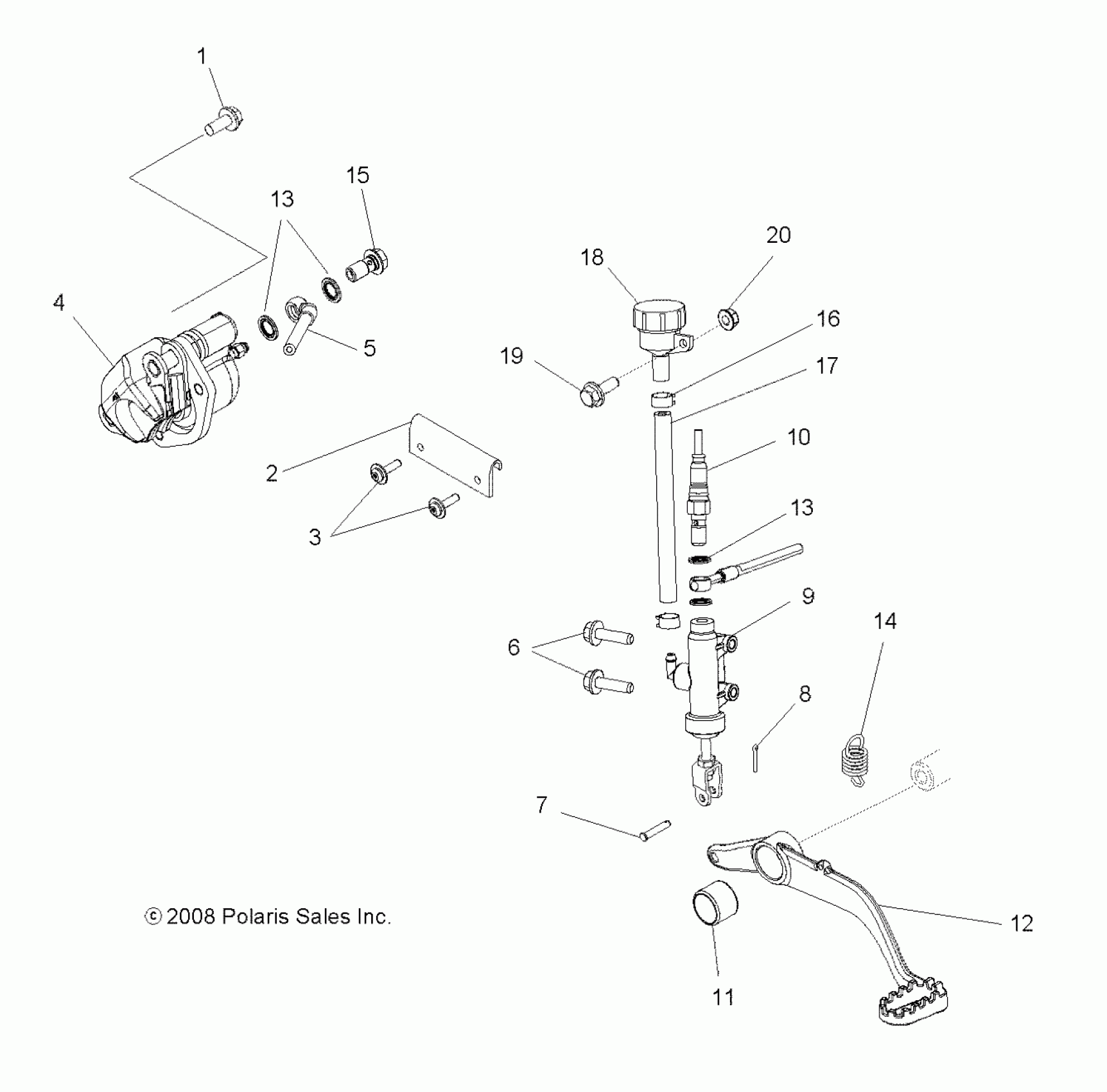
BRAKES, REAR BRAKE - A10GJ52AA (49ATVBRAKERR09OUT450)
Polaris OUTLAW 525 "S" - A10GJ52AA BRAKES, REAR BRAKE - A10GJ52AA (49ATVBRAKERR09OUT450) Diagram
#
Description
Price
4
Asm., Caliper, LH
1911169
Unavailable
5
Line, Brake, Rear
1911418
Unavailable
11
Bushing, Foot Brake
5136137
Unavailable
17
Hose, Reservoir
1911267-370
Unavailable
