- Partiron
- OEM Parts
- Polaris
- ATV
- 2008
- OUTLAW 525 "S" - A08GJ52AA/AB/AC
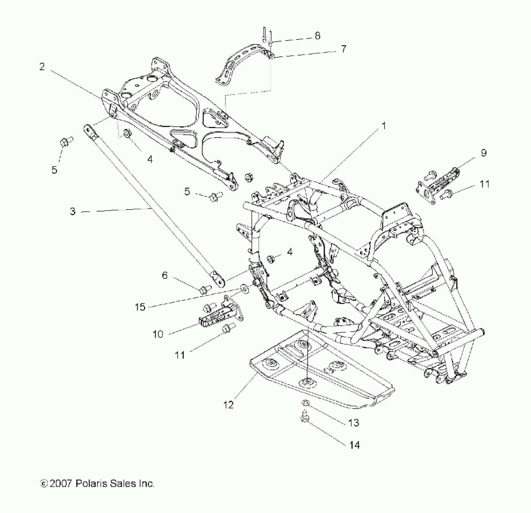
CHASSIS, FRAME - A08GJ52AA/AB/AC (49ATVFRAME08OUT525S)
Polaris OUTLAW 525 "S" - A08GJ52AA/AB/AC CHASSIS, FRAME - A08GJ52AA/AB/AC (49ATVFRAME08OUT525S) Diagram
#
Description
Price
3
Support, Subframe, LH, Matte' Black
5335334-458
Unavailable
10
Footpeg, RH, Matte' Black
1015490-458
Unavailable
