- Partiron
- OEM Parts
- Polaris
- ATV
- 2008
- OUTLAW 525 "S" - A08GJ52AA/AB/AC
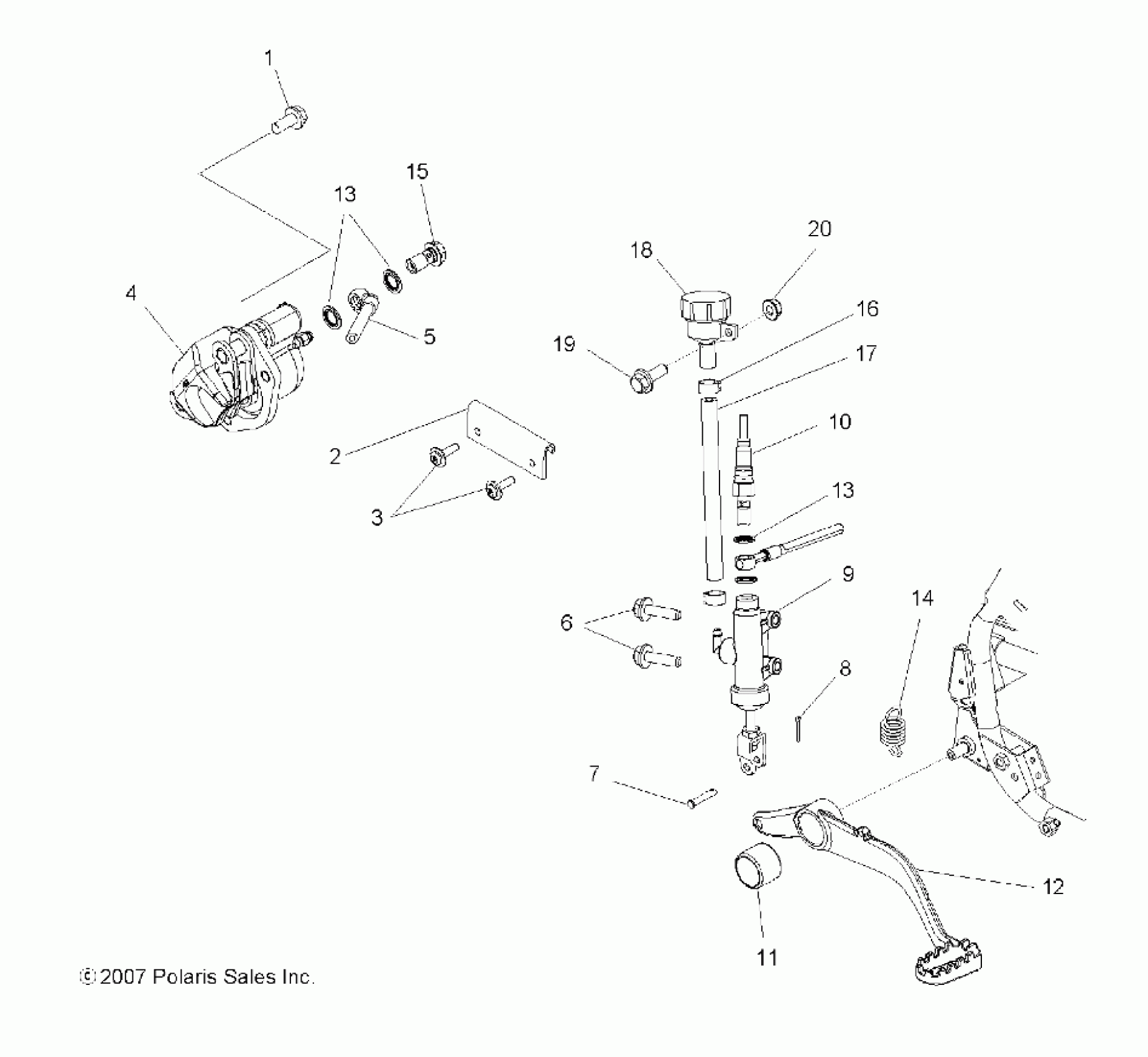
BRAKES, REAR BRAKE - A08GJ52AA/AB/AC (49ATVBRAKERR08OUT525S)
Polaris OUTLAW 525 "S" - A08GJ52AA/AB/AC BRAKES, REAR BRAKE - A08GJ52AA/AB/AC (49ATVBRAKERR08OUT525S) Diagram
#
Description
Price
4
Asm., Caliper, LH
1911169
Unavailable
11
Bushing, Foot Brake
5136137
Unavailable
