- Partiron
- OEM Parts
- Polaris
- ATV
- 2011
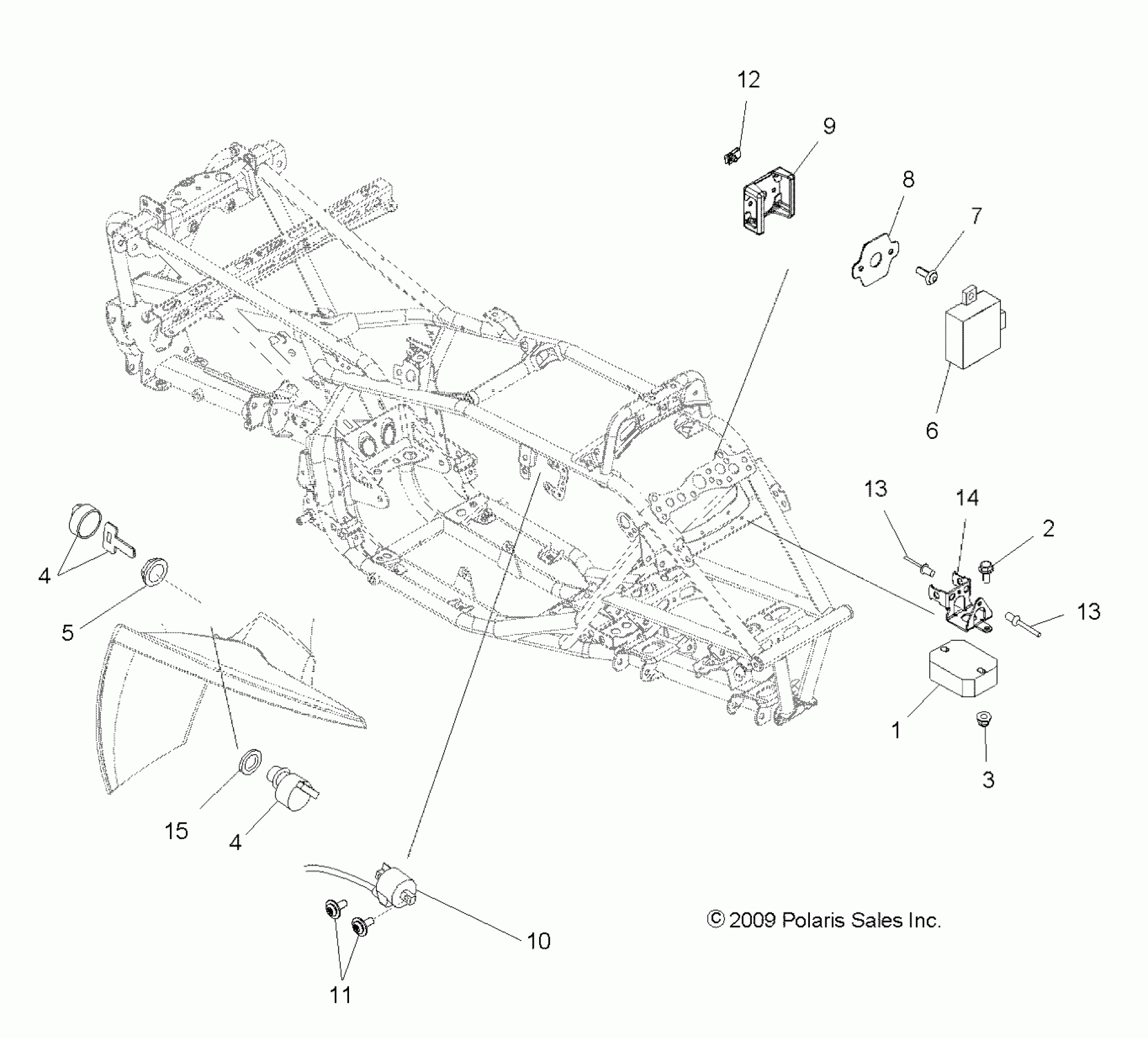
- OUTLAW 525 IRS - A11GP52AA
ELECTRICAL, REGULATOR, CDI and COIL - A11GP52AA (49ATVELECT10OUT525)
Polaris OUTLAW 525 IRS - A11GP52AA ELECTRICAL, REGULATOR, CDI and COIL - A11GP52AA (49ATVELECT10OUT525) Diagram
#
Description
Price
6
Controller, Ignition
4011668
Unavailable
