Partiron

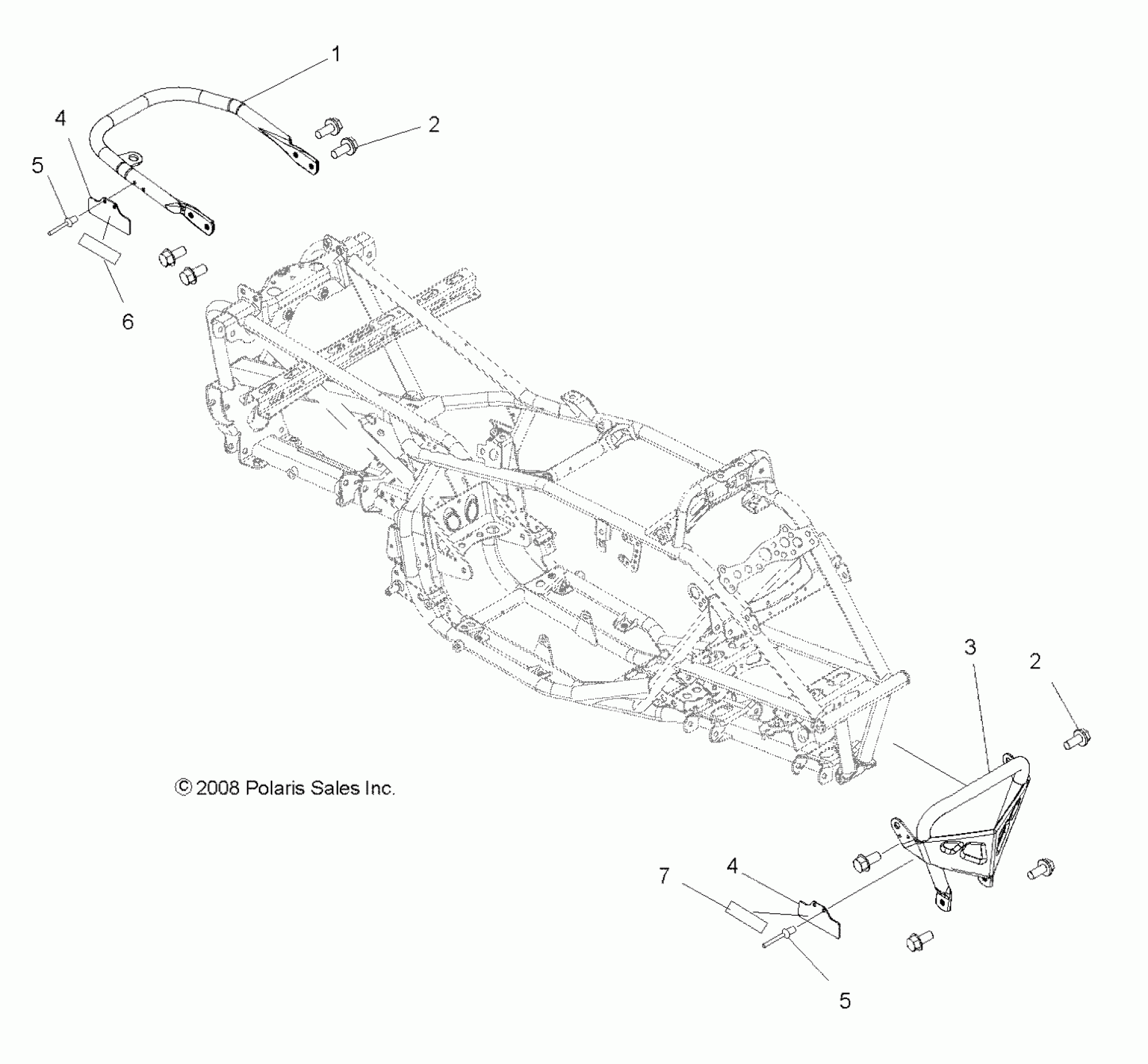
Polaris OUTLAW 525 IRS - A11GP52AA CHASSIS, BUMPER and GRAB BAR - A11GP52AA (49ATVBUMPER09OUT525) Diagram

#

Description
Price

1

Bar, Grab, Matte' Black

1015052-458

Unavailable

2

BOLT, FLANGE

7518555

$2.39

2

BOLT, FLANGE

7518555

$2.39

3

Bumper, Silver

1016203-385

$119.05

4

Bracket, Reflector Mount

5253042

$1.83

4

Bracket, Reflector Mount

5253042

$1.83

5

RIVET

7621330

$1.49

5

RIVET

7621330

$1.49

6

Reflector, Red

2670133

$5.75

7

REFLECTOR, AMBER

2670134

$9.70