- Partiron
- OEM Parts
- Polaris
- ATV
- 2011
- OUTLAW 525 IRS - A11GP52AA
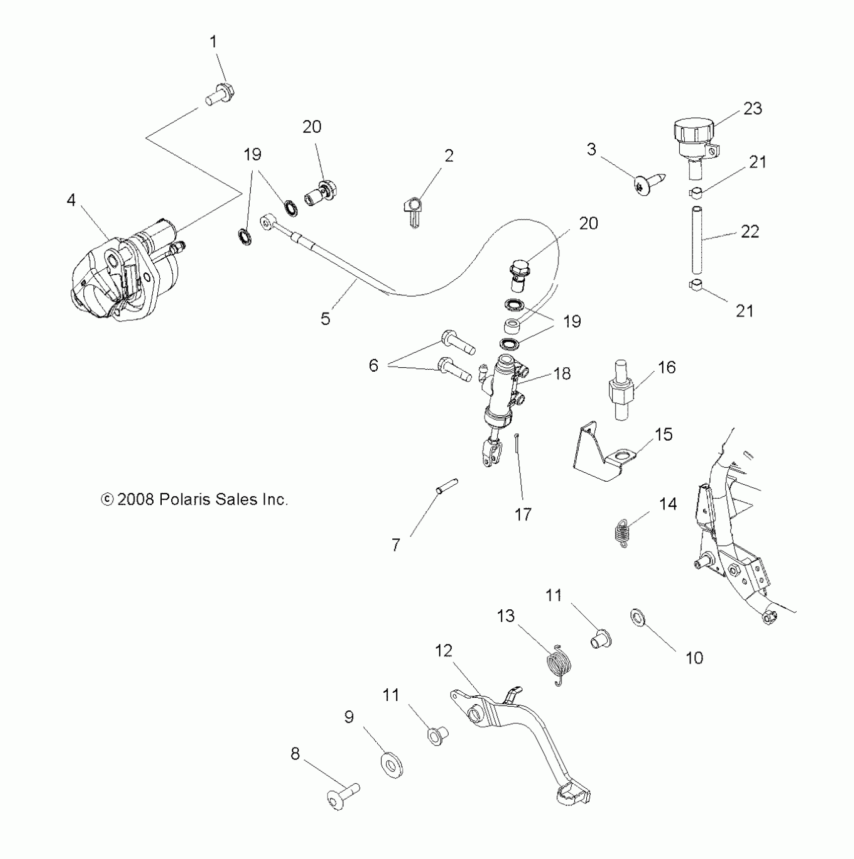
BRAKES, REAR BRAKE - A11GP52AA (49ATVBRAKERR09OUT525)
Polaris OUTLAW 525 IRS - A11GP52AA BRAKES, REAR BRAKE - A11GP52AA (49ATVBRAKERR09OUT525) Diagram
#
Description
Price
4
Asm., Caliper, Brake, Rear
1911238
Unavailable
15
Bracket, Switch, Brake, Matte' Black
5250065-458
Unavailable
