Partiron

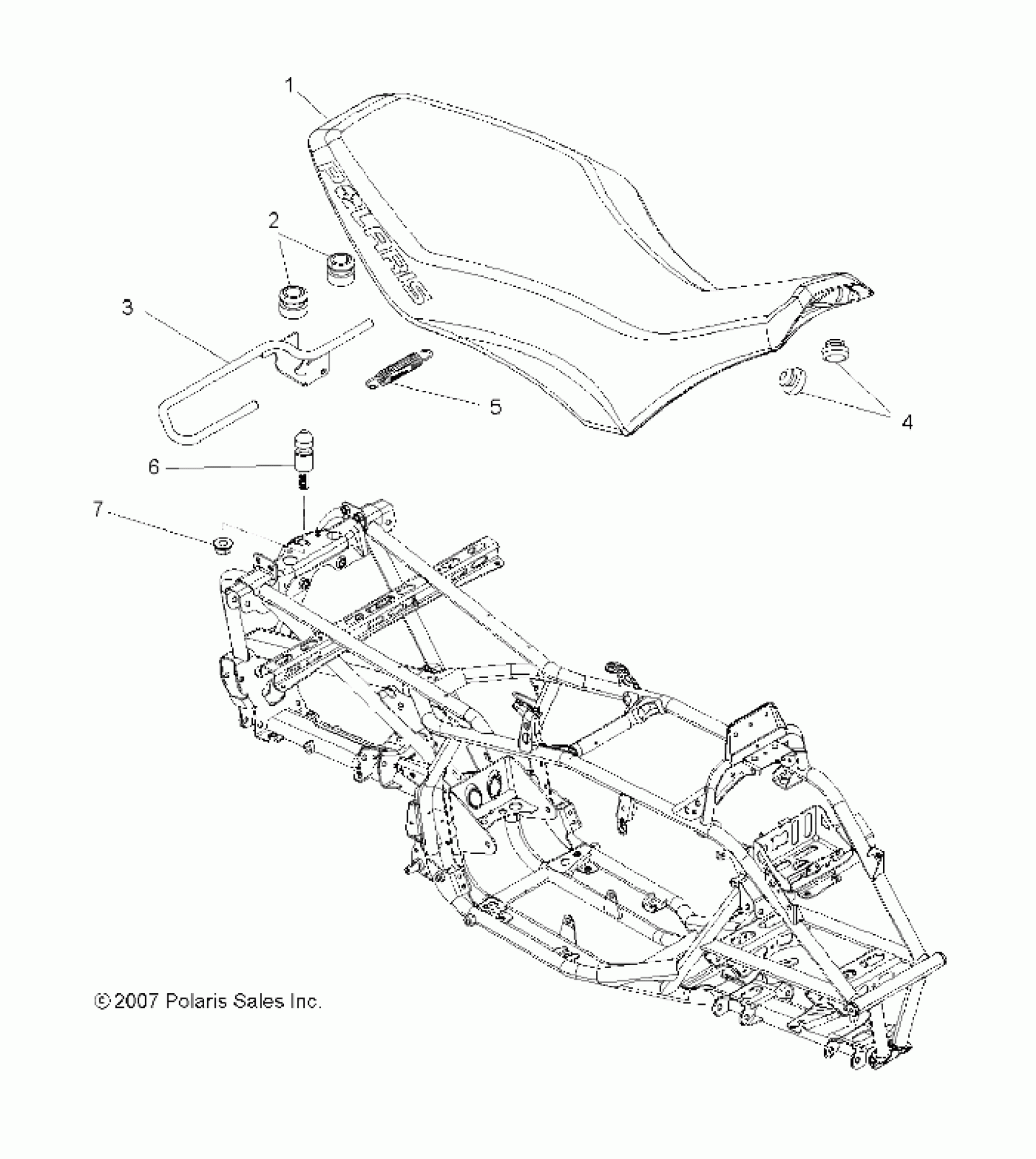
Polaris OUTLAW 525 IRS - A08GP52AA BODY, SEAT ASM. - A08GP52AA (49ATVSEAT08OUT525) Diagram

#

Description
Price

1

Asm., Covering, Black

2684050

Unavailable

1

Asm., Seat, Black

2684065-070

Unavailable

2

GROMMET

5412507

$6.39

3

Latch, Seat Sliding

1016324

Unavailable

4

BUMPER-RUBBER

5412067

$3.99

5

Spring, Seat Latch

7043344

Unavailable

6

Pin, Seat Latch

5136142

$59.99

7

NUT- M8X1.25, FLG, NYLOC-OLIVE D

7547332

$3.99